Breadcrumbs

Připojení robota a nástroje

image2021-11-16_15-51-42.png

No.

Položka

1

Nástroj

2

Držák

3

Kabel

4

Příruba nástroje


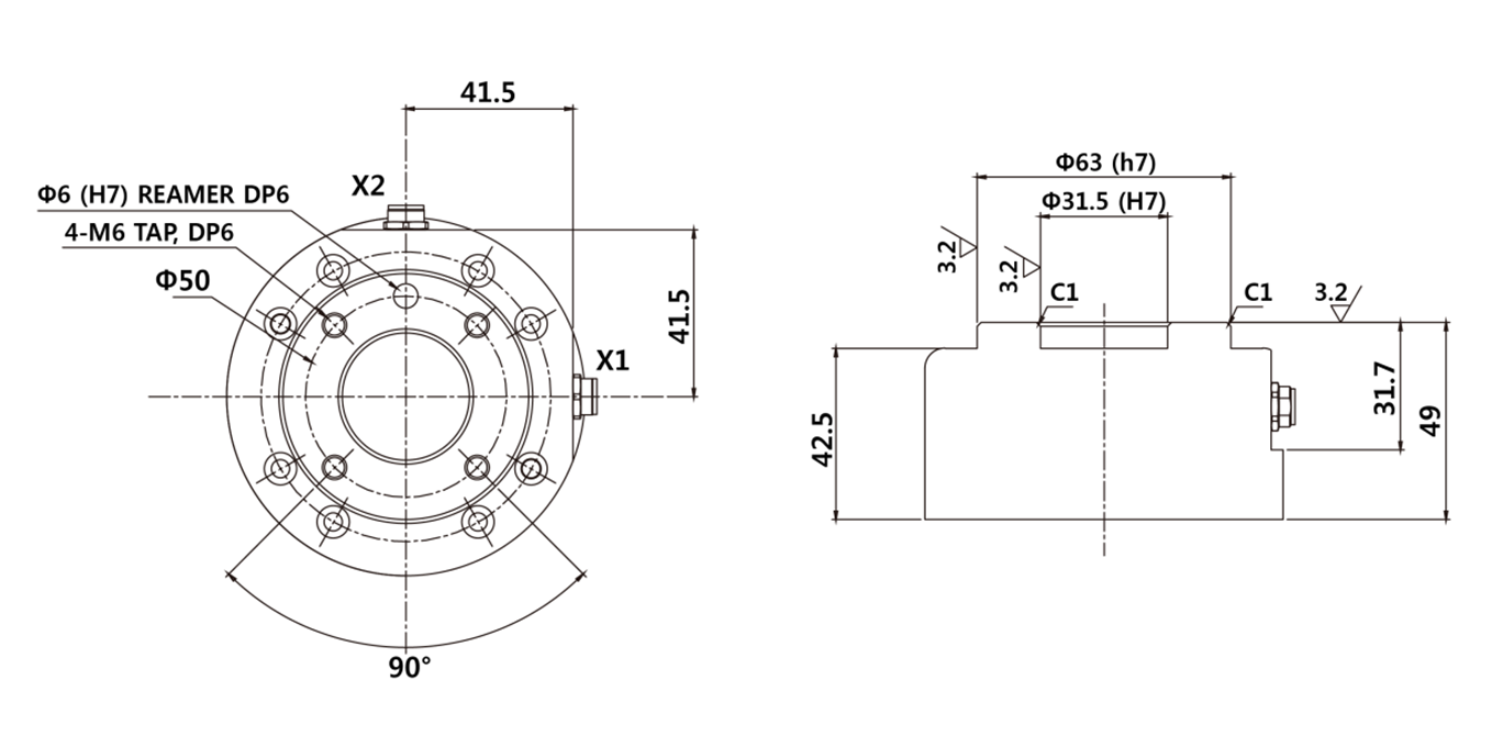
  1. Pomocí šroubů M6 připevněte nástroj k přírubě robota.

    • Pro dotažení šroubů se doporučuje použít utahovací moment 9 Nm.

    • K přesné instalaci robota na pevném místě použijte přesný značkovací kolík Φ6.


  1. Po připevnění nástroje připojte nezbytné kabely k I/O konektorům příruby.

Poznámka

Metody připevnění nástroje se mohou lišit v závislosti na typu nástroje. Více informací o instalaci nástroje najdete v manuálu od výrobce nástroje.


Výstupní příruba nástroje, ISO 9409-1-50-4-M6

image2021-11-16_15-55-30.png