Breadcrumbs

Verbinden von Roboter und Werkzeug

image2021-11-16_15-51-42.png

Nr.

Element

1

Tool

2

Bracket

3

Cable

4

Tool flange


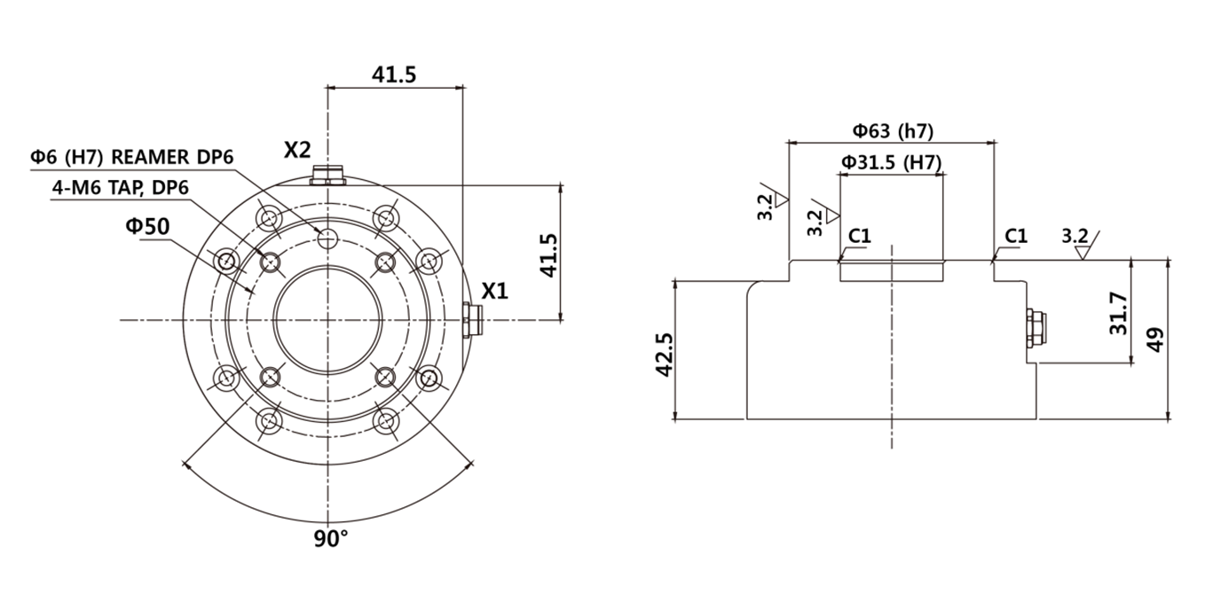
  1. Zur Befestigung des Werkzeugs am Werkzeugflansch vier Schrauben M6 verwenden.

    • Zum Festziehen der Schrauben wird ein Anzugsdrehmoment von 9 Nm angeraten.

    • Mit Zapfen Φ6 zur Standortmarkierung den Roboter exakt an einem festen Standort installieren.


  1. Nach der Befestigung des Werkzeugs sind die erforderlichen Kabel am Eingang/Ausgang (I/O) des Flansches anzuschließen.

Hinweis

Die Methoden zur Befestigung des Werkzeugs können je nach Werkzeug unterschiedlich sein. Für weitere Informationen über die Installation des Werkzeugs siehe das vom Werkzeughersteller zur Verfügung gestellte Handbuch.


Werkzeugausgangsflansch, ISO 9409-1-50-4-M6

image2021-11-16_15-55-30.png