Breadcrumbs

ロボットとツールをつなぐ

image2021-11-16_15-51-42.png

番号

項目

1

ツール

2

ブラケット

3

ケーブル

4

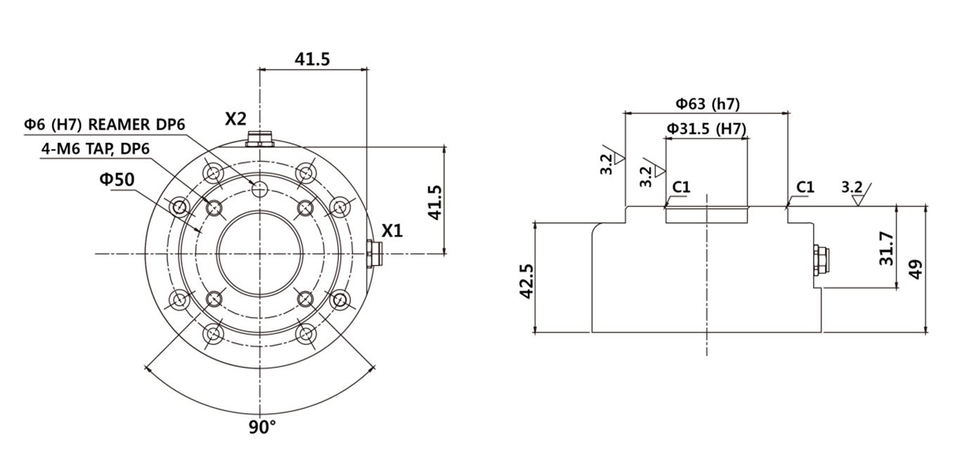
ツールフランジ( Tool Flange )


  1. M6ボルト4個を利用して、ツールフランジにツールを固定してください。

    • ボルトを固定する際は、9 Nmのトルクでボルトを締めることをおすすめします。

    • ロボットを固定位置に正確に設置すべき場合は、Φ6の位置決定ピンを利用すると希望の位置に設置できます。


  1. ツールを固定してから、フランジI/Oコネクタに必要なケーブルをつないでください。

メモ

ツールを結合する方法は、ツールごとに異なる可能性があります。詳しい方法は、ツールのメーカーが提供するマニュアルを参照してください。


ツールの出力フランジ、ISO 9409-1-50-4-M6

image2021-11-16_15-55-30.png