Breadcrumbs

Ligar o robot à ferramenta

image2021-11-16_15-51-42.png

Número

Item

1

Ferramentas

2

Suporte

3

Cabo

4

Flange da ferramenta


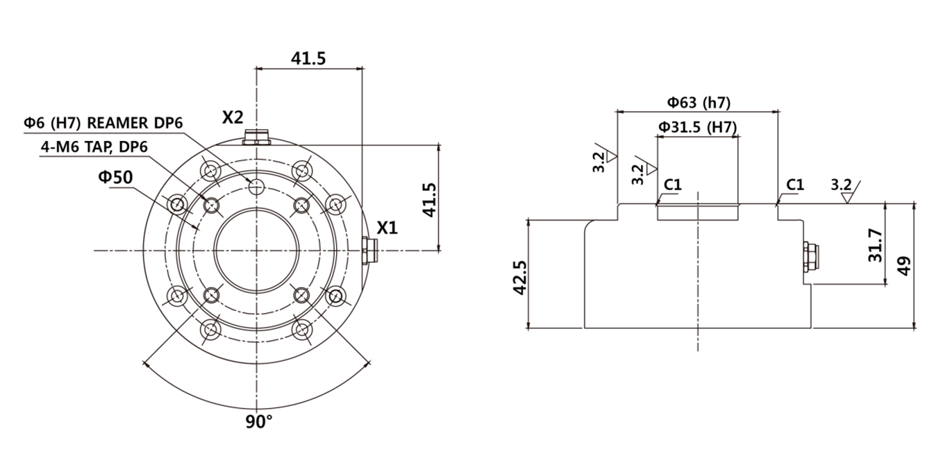
  1. Fixe a ferramenta na flange da ferramenta utilizando os 4 parafusos M6.

    • Recomenda-se que aperte os parafusos com um binário de 9 Nm quando os fixar.

    • Se o robot precisar de ser corretamente instalado numa posição fixa, um pino de posicionamento de Φ 6 permite que seja instalado na posição pretendida.

  2.  Depois de fixar a ferramenta , ligue o cabo necessário ao conetor de E/S da flange.

Saber

O método de combinação das ferramentas pode variar de ferramentapara ferramenta. Consulte o manual fornecido pelo fabricante da ferramenta para obter instruções


Flange de saída da ferramenta, ISO 9409-1-50-4-M6

image2021-11-16_15-55-30.png