Breadcrumbs

连接机器人和工具

image2021-11-16_15-51-42.png

编号

项目

1

工具

2

支架

3

电缆

4

工具法兰


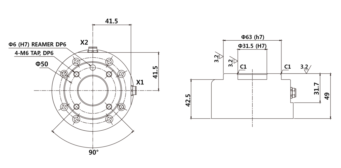
  1. 使用四个 M6 螺栓将工具固定到工具法兰上。

    • 建议使用 9 Nm 的拧紧扭矩拧紧螺栓。

    • 使用 Φ6 定位销将机器人准确地安装在固定位置。


  1. 固定工具后,将必要的电缆连接到法兰 I/O 连接器。

固定工具的方法可能会因具体工具而异。有关工具安装的更多信息,请参见工具制造商提供的手册。


工具输出法兰,ISO 9409-1-50-4-M6

image2021-11-16_15-55-30.png