Breadcrumbs

Robot operating space

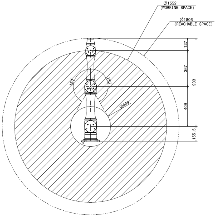
A0509

image2021-11-16_14-20-53.png
image2021-11-16_14-21-30.png

A0509S

image2021-11-16_14-21-47.png
image2021-11-16_14-22-4.png

A0912

image2021-11-16_14-22-33.png
image2021-11-16_14-22-56.png

A0912S

image2021-11-16_14-23-10.png
image2021-11-16_14-23-22.png