Collegamento del robot e dell'utensile

image2021-11-16_15-51-42.png

No.

Elemento

1

Strumento

2

Staffa

3

Cavo

4

Flangia dell'attrezzo


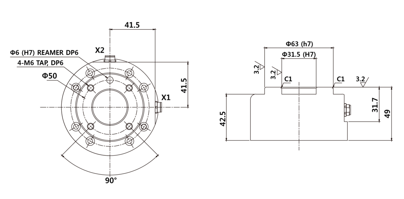
  1. Utilizzare quattro bulloni M6 per fissare l'utensile alla flangia d'attacco.

    • Si consiglia di utilizzare una coppia di serraggio di 9 Nm per serrare i bulloni.

    • Utilizzare un perno di posizionamento Φ6 per installare con precisione il robot in una posizione fissa.


  1. Collegare i cavi necessari ai connettori I/O della flangia dopo aver fissato l'utensile.

Nota

I metodi di fissaggio dell'utensile possono variare a seconda del modello. Per ulteriori informazioni sull'installazione, consultare il manuale fornito dal produttore.


Flangia di uscita utensile, ISO 9409-1-50-4-M6

image2021-11-16_15-55-30.png