Breadcrumbs

Connecting the Robot and Tool

image2021-11-16_15-51-42.png

No.

Item

1

Tool

2

Bracket

3

Cable

4

Tool flange


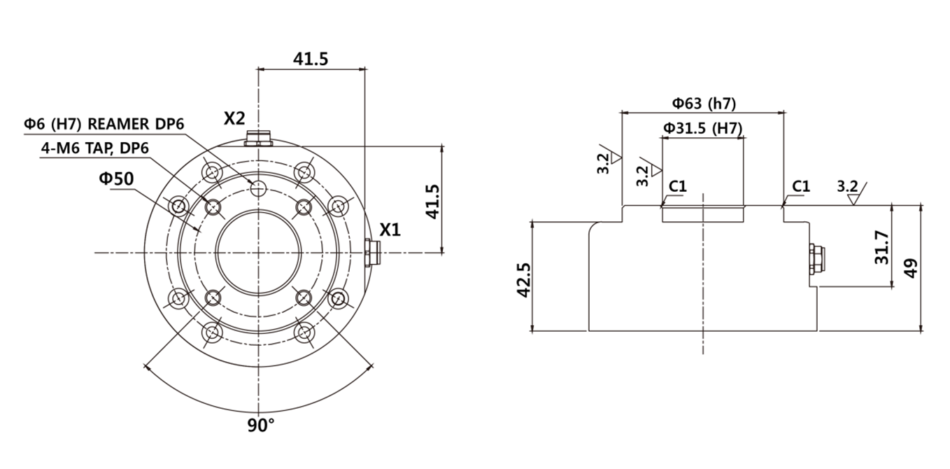
  1.  Use four M6 bolts to secure the tool on the tool flange.

    • It is recommended to use tightening torque of 9 Nm to tighten the bolts.

    • Use a Φ6 place marker pin to accurately install the robot in a fixed location.


  1. Connect the necessary cables to the flange I/O connectors after the tool is secured.

Note

Methods of securing the tool may vary according to the tool. For more information about tool installation, refer to the manual provided by the tool manufacturer.


Tool output flange, ISO 9409-1-50-4-M6

image2021-11-16_15-55-30.png