Breadcrumbs

Conexión del robot y la herramienta

image2021-11-16_15-51-42.png

No

Elemento

1

Herramienta

2

Soporte

3

Cable

4

Brida de herramienta


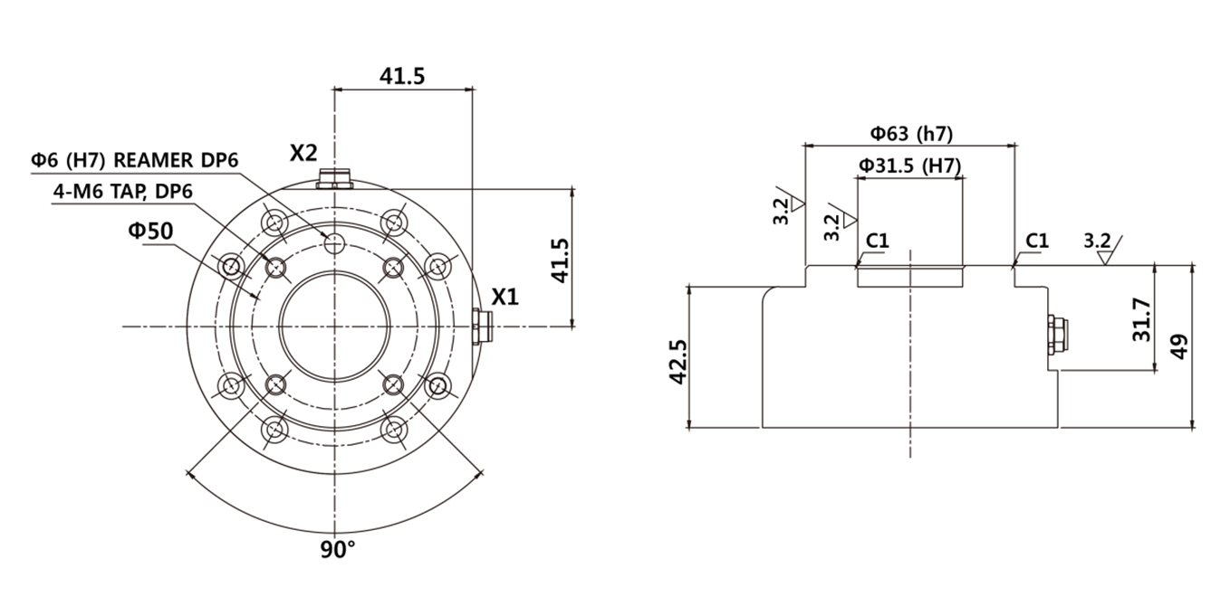
  1. Use cuatro pernos M6 para asegurar su herramienta en el tool flange.

    • Se recomienda utilizar un par de apriete de 9 Nm para ajustar los pernos.

    • Use un pin marcador de lugar de Φ6 para instalar el robot de manera precisa en una ubicación inalterable.


  1. Conecte los cables necesarios a los conectores de E/S con brida después de asegurar la herramienta.

Nota

Las formas de asegurar la herramienta pueden variar de una a otra. Para obtener más información sobre la instalación de la herramienta, consulte el manual proporcionado por el fabricante.


Brida de salida de la herramienta, ISO 9409-1-50-4-M6

image2021-11-16_15-55-30.png