Breadcrumbs

Analog 인터페이스 방식 용접기 연결 예시

image2022-1-21_14-11-56.png


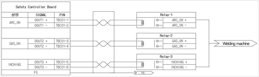
용접기의 Analog 및 Digital In/Out 단자를 제어기와 연결할 때에는 제어기의 회로를 보호하기 위해 신호의 분리(isolation)가 필요합니다. 일반적으로 Relay 또는 isolation module을 사용하여 회로를 분리합니다. 직접연결하는 경우에 제어기의 회로가 손상될 수 있습니다.

Relay를 사용한 Digital Out 연결 예시

image2022-1-21_14-12-57.png

  • Digital Output의 채널번호는 설명을 위한 임시 번호입니다.

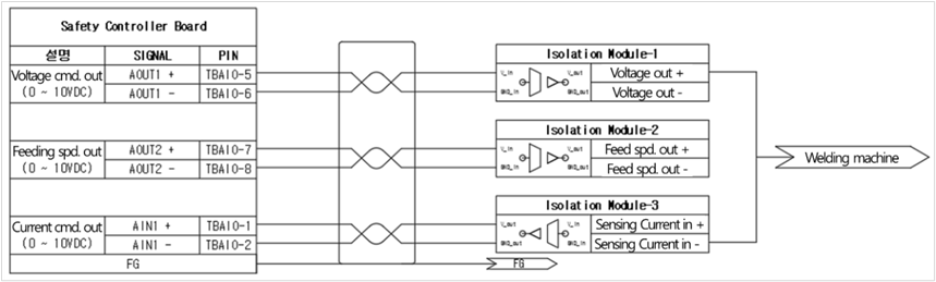
상용 Isolation module을 사용한 Analog In, Out 연결 예시

image2022-1-21_14-13-39.png

  • Analog Input / Out 채널번호는 설명을 위한 임시 번호입니다.

  • 이외의 용접기와의 추가적인 연결에 대해서도 동일한 절연처리가 요구됩니다.

  • 용접 전류 측정을 위해 홀센서(hall sensor)와 같은 별도의 외장형 센서를 사용하는 경우에는 Isolation Module이 불필요합니다.

  • Analog 출력의 경우 용접기의 analog 입력 신호 사양(전압)을 확인하여 Isolation module을 선정하시기 바랍니다.

  • 상용 Isolation Module 예는 아래의 표와 같으며 같은 사양의 다른 제조사 제품을 사용해도 무방합니다.

    제조사

    Weidmuller

    유형

    WAS4 VVC DC 0-10V/0-10V

    설명

    0-10V 입력, 0-10V 출력 사양



Control Box의 전기적 사양은 을 참조하세요.