Breadcrumbs

Podłączanie narzędzia do robota

image2021-11-16_15-51-42.png

No.

Element

1

Narzędzia

2

Wspornik

3

Kabel

4

Kołnierz narzędzia


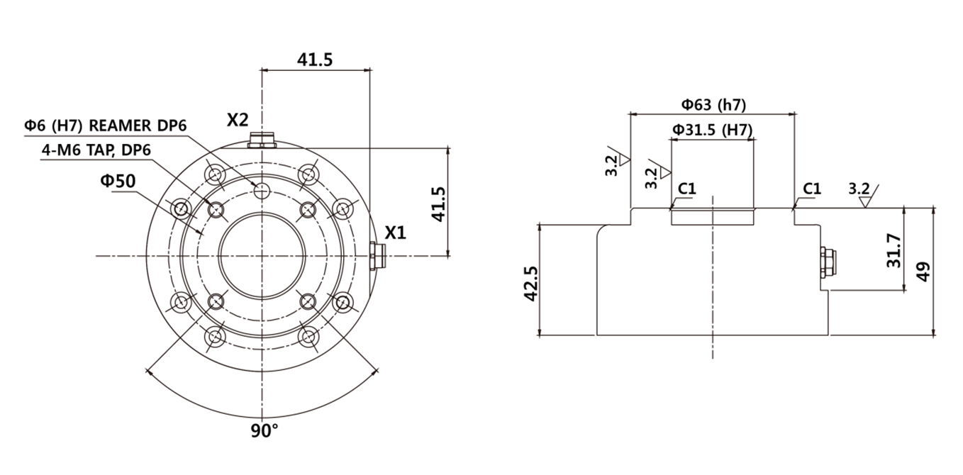
  1. Przymocować narzędzie do uchwytu narzędzia za pomocą czterech śrub M6.

    • Zalecamy stosowanie momentu dokręcenia śrub 9 Nm.

    • Za pomocą znacznika Φ6 określić dokładnie stałe miejsce montażu robota.


  1. Podłączyć niezbędne przewody do we/wy kołnierza po zamocowaniu narzędzia.

Uwaga

Metoda mocowania narzędzia może się różnić w zależności od narzędzia. Aby uzyskać więcej informacji na temat montażu narzędzia, należy skorzystać z podręcznika dostarczonego przez producenta narzędzia.


Kołnierz wyjściowy narzędzia, ISO 9409-1-50-4-M6

image2021-11-16_15-55-30.png