Skip to main content
Manual PDF download
ROS 2 Docs.
API Docs.
Training Video
V3 Manual
2.12.3
2.12.2
2.12.1
2.12
2.11.2
2.11.1
2.11.0.1
2.10.3
1. M/H Series
2. A Series
3. E Series
4. P Series
Korean
Chinese
Czech
Dutch
English
French
German
Hungarian
Italian
Japanese
Polish
Portuguese
Spanish
Korean
Chinese
Czech
Dutch
English
French
German
Hungarian
Italian
Japanese
Polish
Portuguese
Spanish
Main navigation
Close navigation
2.12.3
2.12.2
2.12.1
2.12
2.11.2
2.11.1
2.11.0.1
2.10.3
1. M/H Series
2. A Series
3. E Series
4. P Series
Korean
Chinese
Czech
Dutch
English
French
German
Hungarian
Italian
Japanese
Polish
Portuguese
Spanish
Korean
Chinese
Czech
Dutch
English
French
German
Hungarian
Italian
Japanese
Polish
Portuguese
Spanish
Main
User manual (V2.12.3)
PART 1. Manual de segurança
Convenções do manual
Símbolos de segurança identificados
Precauções gerais
Utilização prevista do produto
Avaliação de riscos
Perigo potencial
O modo e o estado do robot
Modo manual
Modo automático
Outro estado
Estado específico do modo e cores do LED da flange
Garantias e responsabilidade do produto
Funcionalidades de segurança
Subfunção de paragem com classificação de segurança
Batentes com classificação de segurança
Paragem de emergência
Proteção contra paragem
Função de monitorização com classificação de segurança
Entrada e saída com classificação segura
Definição das caraterísticas de segurança
Limites do robô
Entrada/saída do sinal de segurança (E/S)
Modos de paragem de segurança
Encostar
Limite de espaço
Zona
Outras medidas de segurança
Eficácia e responsabilidade
Renúncia de responsabilidade
Declaração e certificação
Declaração Europeia de Incorporação (original)
Certificado de acordo com a norma harmonizada da Diretiva Europeia sobre Máquinas
Diretiva Europeia de Compatibilidade Eletromagnética (Diretiva EMC) Certificação harmonizada de normas
Certificação NRTL (EUA, Canadá)
Certificação de segurança funcional
Declaração de segurança autónoma (KCS)
Distância de paragem e tempo de paragem
Método e condições de medição
Parar categoria
Poses e condições de medição
Categoria de paragem A0509(S)
A0509(S) Paragem Categoria 0
A0509(S) Paragem Categoria 1
Categoria de paragem A0912(S)
A0912(S) Paragem Categoria 0
A0912(S) Paragem Categoria 1
Parâmetros de segurança gamas inferiores e inferiores e valores predefinidos
Precauções de utilização
PART 2. Ligar o robot
Step1. Configurar o robot
Desembale a embalagem
Ligar os cabos ao controlador
Fixar a base do robot
Ligar o controlador e a alimentação
Posicione o controlador
Ligue o controlador
Soltar o botão de paragem de emergência
Desposicionamento da embalagem
Servo-desligado
Step2. Instale a ferramenta e teste a E/S.
Instale a ferramenta
Desligue o sistema
Ligar os fios
Ligue o sistema
Teste do controlador e da E/S do flange
Step3. Ligar e configurar o robot
Saiba como parar/soltar com segurança
Funcionamento manual - programação da recuperação de segurança/movimentos não motorizados
Funcionamento manual - aprender a Jog
Operação manual - aprenda a ensinar-se
A desativar o Bloqueio de palavras-passe
Configuração do robô - Definir limites do robô
Itens da célula de trabalho - Adicionando posições de montagem do robô
Itens da célula de trabalho - Adicionar peso da ferramenta
Adicionar itens da célula de trabalho - Forma da ferramenta
Itens da célula de trabalho - Adicione um efetor final
Adicione um item da célula de trabalho - limite de espaço
Aprenda os itens das células de trabalho com o seu gestor de células de trabalho
Configuração do robô - Definir as coordenadas do mundo
Step4. Crie um programa de tarefas
Introdução à programação
Compreender a conformidade/controlo de força
Utilizar Sub/Chamada Sub
Compreender o movimento do robô
Siga o exemplo do comando MoveJ/MoveL
Compreender as Propriedades do Movimento do Robô
Siga o exemplo do Comando de Conformidade
Especialidade - Siga o exemplo Pick & Place
Utilize Step Run
Siga o exemplo do comando Force
Registrando e Gerenciando Variáveis
Aproveite a depuração
Função de intervenção do operador
PART 3. Manual de instalação
Introdução ao produto
Verifique os componentes
Subpeças e funções
Gráfico de configuração do sistema
Especificações do produto, Geral
Especificações do robô
Especificação por eixo
Área de trabalho do robô
O máximo está sendo ponderado na área de trabalho
A posição central da ferramenta
Especificações básicas
Placa de classificação e etiquetas
Instale
Precauções de instalação
Pontos de elevação para transporte e instalação
Ambiente de instalação
Saiba onde instalá-lo
Verificar a área de trabalho do robot
Instalação de hardware
Fixar o robô
Ligue o controlador ao controlador
Ligar o controlador ao botão de paragem de emergência
Conexão do controlador e do pendente inteligente
Ligar o Controller e o pendente de bruxa
Cabos de encaminhamento
Ligar a alimentação do controlador
Ligar o robot à ferramenta
Definir o interrutor de configuração do botão de paragem de emergência
Ligar/desligar o interrutor de alimentação do controlador
Interface
Flange E/S
Especificações da saída digital da flange
Especificações de Entrada Digital do Flange
Especificações de entrada analógica de flange
Conectividade de rede
Ligação do dispositivo externo - Sensor de visão
Conectividade de dispositivos externos – Plataforma DART
Configurar ModbusTCP Slave
Protocolos estendidos - Configurar um dispositivo PROFINET IO (dispositivo pnio)
Protocolos estendidos - Configurar o adaptador Ethernet/IP (adaptador IP)
Usando protocolos estendidos
Utilizar o registo de utilização geral (GPR)
Ligação I/O do controlador
Configurar o terminal de potência de entrada e saída digital (TBPWR)
Configurar o terminal de entrada do codificador (TBEN1, TBEN2)
Configurar o terminal de entrada do contacto de segurança (TBSFT)
Configurar E/S digital configurável (TBCI1-4, TBCO1-4)
Configurar o terminal de E/S analógico (TBAIO)
Transporte
Precauções de transporte
Especificações da caixa de embalagem
Postura de transporte do robô
Manutenção
Eliminação e ambiente
PART 4. Manual do utilizador
Ligar/desligar o sistema
Inicializando o sistema
Ecrãs de programa
Ecrã inicial
Ecrã de estado
Área de visualização do estado
Área do ecrã Task (Tarefa)
Menu principal
Compreender os robôs
O que é o ângulo A, B e C da régua?
O que é Singularity?
Limitação da função por série de robôs
O que é o Servo-ons?
Entrada/saída e comunicação
Visão geral de E/S.
Verificação de entrada digital do controlador/flange
Verificação de entrada analógica do controlador/flange
Configuração de saída digital do controlador/flange
Configuração de saída analógica do controlador/flange
Teste de E/S.
Teste Modbus
Monitorização secundária
O que é um item de célula de trabalho?
Adicionar itens da célula de trabalho
Itens de célula de trabalho inativos
Item de célula de trabalho não disponível
Utilizar o Workcell Manager
Configurar a segurança do robô
Configuração do robô
Definir o suporte (posição de montagem do robô)
Definição do peso da ferramenta
Definições da forma da ferramenta
Defina as coordenadas do mundo
Definir limites do robô
Definições gerais de entrada/saída de sinal (E/S normal)
Definições de entrada/saída do sinal de segurança (E/S)
Definir os modos de paragem de segurança
Definição de variável do sistema
A definição Nudge (Encostar)
Definição das coordenadas do utilizador
Limite de espaço e definições de zona
Restrições de espaço e a forma da área
Defina o limite de espaço
Ative a Zona colaborativa
Definir a Zona de Prevenção de Esmagamento
Definição da zona de redução da sensibilidade
Defina a Zona limite de orientação da ferramenta
Definições de zona personalizada
Definições do efeito final
Griefers e ferramentas
Definir sinais de entrada e saída efetoras finais
Teste de entrada/saída efetor final
Definição do ponto central da ferramenta (TCP)
Definir a posição central da ferramenta em relação ao outro efetor de extremidade
Configuração da máquina
Definições de periféricos
Outros
Visão
Configure a ferramenta
Utilizar o robot manualmente
Usando jogs
Cena em Jog
Execute com o Sistema de Coordenadas Mundial
Execute com critérios conjuntos
Correr com a ferramenta do robot
Correr com a base do robot
Ecrã de salto
Defina o ângulo para se mover
Deslocar-se definindo o valor de coordenadas de referência base
Movendo-se ao redor definindo o valor de coordenada mundial
Mova os valores de coordenadas de referência da ferramenta definindo-os
Ecrã de alinhamento
Alinhar por Eixo Base/Eixo Mundial
Ordenar por alvo
Ordenar por entrada de célula de trabalho
Mover para a posição inicial
Jog Plus
Usando o Modo de recuperação segura
Modo de recuperação do software
Modo de embalagem
Utilize o modo sem alimentação
Desloque-se com a guia da mão
Usando o botão de orientação manual no pendente de costura
Utilizar o botão Cockpit (5 botões)
Utilizar o botão Cockpit (6 botões)
Escape de estenose com Cockpit
Utilizar o robot automaticamente
Procedimentos de aprendizagem e execução do robô
Construtor de Tarefas 5
Construtor de Tarefas
Construtor de Tarefas 6
Construtor de Tarefas 7
Construtor de Tarefas 8
Construtor de Tarefas 1
Construtor de Tarefas 12
Guardar tarefa em dispositivo de armazenamento externo (Task Builder)
Construtor de Tarefas 2
Construtor de Tarefas 3
O Construtor de Tarefas foi salvo em um dispositivo de armazenamento externo
Construtor de Tarefas 10
Configuração do ecrã Task Edit (Edição de tarefas)
Adicionar um comando
Excluindo um comando
Colar Comando
Construtor de Tarefas 11
Comandos de especialidade desativados
Configurando e aplicando propriedades de comando (Task Builder)
Definir propriedades do comando de movimento
Definir ponto de passagem
Definição de velocidade
Defina o modo de bloqueio do programa
Defina o modo de liquidificação
Definições de vários segmentos (ponto de passagem)
Configurando atributos de comando de especialidade
Compreender os padrões básicos de operação dos comandos de especialidade
Controlo adaptável e deteção de contacto
Definir um Ponto de Trabalho para um Comando de Especialidade utilizando um botão Cockpit
Construtor de Tarefas 4
Ecrã do modo virtual
Ecrã do modo real: Guia Mensagens de informações
Ecrã do modo real: Separador End efetor Information (Informações efetoras finais)
Ecrã do modo real: Separador I/O Information (Informações de E/S)
Tarefas em execução
Gravador de tarefas 3
Gravador de tarefas 1
Criar uma nova tarefa (Task Writer)
Gravador de tarefas
Gravador de tarefas 5
Task Writer para um dispositivo de armazenamento externo (Task Writer)
Chamar uma tarefa guardada (Task Writer)
Eliminar uma tarefa guardada (Task Writer)
Task Writer armazenado em um dispositivo de armazenamento externo
Gravador de tarefas 4
Gravador de tarefas 2
Comando (Task Writer)
Configurando e aplicando propriedades de comando (Task Writer)
Gravador de tarefas 6
Ecrã de depuração
Executar e parar tarefas
Carregar uma rede guardada
Definição de preferências
Definir o idioma
Definir a data e a hora
Configurar o robot
Configurar o assistente remoto
Definir a posição inicial do robot
Configuração de E/S de flange
Configurar o Smart Pendant
Configurar o teclado
Configurar o Cockpit (A0509S, A0912S)
Alterando e liberando senhas
Definindo funções do usuário
Configurar uma rede
Código de função de suporte do bus do modo personalizado
Registar um bus de modo personalizado
Para registar um bus de modo predefinido
A atualizar o sistema
Atualizações consolidadas
Restauro do sistema
Visualizar e introduzir o código de licença do robô
Verifique os registos
Verifique as mensagens de registo
Verificando mensagens de log em tempo real durante a execução de um programa
Extrair registos
Reposição de fábrica
Para eliminar o registo
Gama de reposição de fábrica, dependendo do tipo de licença e do estado da ligação de visão
Para definir o modo ...proteção de ecrã
Servo inativo desligado
Cópia de segurança e restauro
Calibração da Fricção (Série A)
Instale e desinstale a célula de trabalho &Especialidade
Ecrã de configuração de fábrica inteligente KT
Apêndice
Apêndice. Especificações do sistema
A especificação popular
A0509(S)
A0912(S)
Especificações do controlador
CS-03 (AC Controller)
CS-04 (DC Controller)
Botão de paragem de emergência
EMSB-01
Pendente inteligente (opção)
SP-01
Pendente de costura
TP-01
FTS(A0509S, A0912S only)
Apêndice. Controlador DC
Controlador DC (cs-04)
Introdução ao produto (cs-04)
Instalação (cs-04)
Apêndice. Torque Permissível do Doosan Robot
Doosan Robot Allowable Torque
Apêndice. Guia de resolução de problemas
Tela Modo de recuperação do aplicativo
Ecrã de erro de compatibilidade de série
Utilizar a funcionalidade do ecrã Erro de compatibilidade de série
Substitua a série de robôs
Método de recuperação em caso de restrição de espaço e violação de zona
Apêndice. Pendente inteligente (Série A)
Apêndice. Descrição geral da atividade de soldadura
Apêndice. Ambiente de instalação da plataforma DART (mínimo, recomendado)
Reference manual(V2.10)
워크셀 아이템
워크셀 아이템 개요
워크셀 아이템 공통 설정 옵션
엔드이펙터
그리퍼(Gripper)
복동식 그리퍼(Gripper DA (Double-Acting))
단동식 그리퍼(Gripper SA (Single-Acting))
툴(Tool)
스크류드라이버(Screwdriver: Tool Category)
작업기계
프레스 머신(Press Machine)
터닝 센터(Turning Center)
사출기(Molding Machine)
주변장치
Pallet
볼트 피더(Bold Feeder)
추가 제공 워크셀 아이템
공통 설정 옵션
Flange Serial 설정 하기
추가 워크셀 아이템 목록
Schmalz - FXCB
Schmalz – ECBPi (CobotPump)
Schunk - PGN
Schunk - Co-act EGP-C
Zimmer - GEP2000
Zimmer - HCR03
Robotiq - 2F-85
Robotiq - 2F-140
Robotiq - Hand-E
Robotiq - 3-Finger
Doosan - Lynx Series
Doosan - Puma Series
OnRobot RG2
OnRobot RG6
Zimmer_HCR-03-DIO
Dynabrade Robotic Sanders
테스크 프로그래밍 명령어 및 템플릿
스킬 명령어
스킬 명령어 개요
스킬 명령어의 기본 작동 패턴 이해하기
순응 제어와 접촉 감지 기능
스킬 공통 화면 정의
스킬 명령어 목록
Pick
Place
Insert
Polishing
Deburring
Gluing
Airblowing
EndTask
Door_OpenClose
INTLK_Pick
INTLK_Place
Bolting
PickBolt
Contact
Set_Digital_IO
태스크 템플릿
Part Handling
CNC Machine Tending
Press Machine Tending
Injection Molding Machine Tending
Screw Drive 템플릿
Gluing 템플릿
Deburring 템플릿
Polishing 템플릿
Insert 템플릿
Smart Vision Module
사용 전 주의사항 (SVM)
워크셀 매니저에서 설정하기
카메라 연결 테스트하기
카메라 연결
IP 주소 확인 및 카메라 테스트
비전 작업 > 비전작업 관리
비전 작업 생성하기
비전 작업 수정 및 삭제하기
비전 작업 > 카메라/이미지 설정
조명/노출/게인/초점 설정 값 저장 및 로딩하기
카메라 캘리브레이션하기
비전 작업 > 비전작업 설정
비전 도구의 티칭 영역 설정하기
비전 도구의 티칭 제한 영역 설정하기
위치 측정 도구 생성과 티칭 영역 설정하기
유무검사 도구 생성과 티칭 영역 설정하기
거리측정검사 도구 생성과 티칭 영역 설정하기
각도측정검사 도구 생성과 티칭 영역 설정
직경측정검사 도구 생성과 티칭 영역 설정하기
비전 작업 > 테스트
프로그래밍하기
Vision 명령어 설정 옵션
태스크 빌더: 스킬 명령어에서 비전 활용하기
태스크 라이터: 모션 명령어에서 비전 활용하기
Vision Skill: Vision Skill 설치하기
Vision Skill: Shoot Pose Skill 사용하기
Vision Skill: Landmark Skill 사용하기
Vision Skill: Barcode Skill 사용하기
Vision Skill: if문 활용하기
제품 사양
측정 거리
측정 물체의 크기 및 높이
측정 물체 및 배경
Conveyor Tracking
사용 전 주의사항
워크셀 매니저에서 설정하기(WCI)
External Encoder 설정
Encoder 채널 설정
A-B상 설정
Z상 설정
S상 설정
인버스 모드 설정
설정 확인
Conveyor Tracker 설정
통신 설정
기준좌표계 설정
속도 설정
프로그래밍하기 (TB/TW)
Conveyor Coordinates 프로그래밍하기
Conveyor Tracking 프로그래밍하기
기타 참고 사항
Pick & Place (1 Conveyor)
Pick & Place (2 Conveyor)
Multi 작업물 Handling
DART-Simulator Guide(V2.8.2)
DART Simulator란?
가상화 환경 설정하기
Windows 환경 설정하기
BIOS 환경 설정하기
Virtual Box 환경 설정하기
기본 설정
네트워크 브리지 설정
DART Simulator 실행하기
두산 로봇 시작하기
DART-Simulator에 DR3 설치하기
App Builder
알아두기
App Builder란?
Skill 이란?
WCI(Workcell Item) 란?
그리퍼 WCI&Skill 제작 튜토리얼 소개
그리퍼 WCI 생성하기
WCI 생성하기
WCI 편집하기(General Info)
WCI 설정하기(Workcell Item Setting)
WCI 저장하기
그리퍼 Skill 생성하기
Global Function 추가하기
CaloffsetPos()
MoveFn()
AppRet_Motion_v2()
Skill 생성하기
Skill 편집하기(General Info)
Skill 기획하기
Skill 설정하기(Skill Setting)
UI Component 추가하기
1) Reference Pose
2) Gripper Setting - Gripper Release
3) Gripper Setting - Gripper Wait Time
4) Gripper Setting - Set TCP (Option)
5) Approach/Retract Motion Setting - Distance
6) Approach/Retract Motion Setting - Velocity
7) Approach/Retract Motion Setting - Acceleration
DRL Component 추가하기
Skill 복사하기
Skill 저장하기
WCI/Skill 티치 펜던트에 설치하기
WCI/Skill를 DR3 파일로 추출하기
티치 펜던트에 WCI/Skill 설치 하기
WCI 등록 확인하기
Skill 등록 확인하기
AppBuilder 화면 및 기능 설명
Dashboard
Project
Project Manager
Function & Variable Writer
Global Function
Global Function 리스트
Global Function 생성 및 편집하기
Global Variable
Global Variable 리스트
Global Variable 생성 및 편집하기
Workcell Item Writer
Workcell Item 리스트
Workcell Item 생성 및 편집(General Info)
Workcell IO(Workcell Item Setting)
UI Component(Workcell Item Setting)
DRL Component(Workcell Item Setting)
DRL Component 상세 설정
Skill Writer
Skill Item 리스트
Skill Item 생성 및 편집(General Info)
UI Component(Skill Setting)
[Statement] Robot Model Selection
Accordion Control
Accordion Toggle Control
Button - Define DRL
Compliance Setting
Coordinate Select
Get Position
Global Loop Count Value Selection
Label
Line Edit
Radio Button Group
Text Edit(Long Line Edit)
Toggle Switch
Tool Weight Selection
DRL Component(Skill Setting)
Global Function Component
Global Variable Component
User Defined Workcell Item Action
User Function Component
예제
단동식 툴 WCI&Skill 제작하기
단동식 툴 Global Function
Sample Code - AppRet_Motion()
Sample Code - Calulate Offset()
Sample Code - MoveFn()
단동식 툴 Global Variable
단동식 툴 WCI Writer
단동식 툴 Skill Writer
Skill 작성을 위한 사전 준비
Reference Pose
Gripper Setting - Tool Wait Time
Gripper Setting - Set TCP(옵션)
Approach/Retract Motion Setting - Distance
Approach/Retract Motion Setting - Velocity
Approach/Retract Motion Setting - Acceleration
DRL Component
Modbus TCP WCI 제작하기
Modbus TCP WCI Writer
부록
문제 해결 가이드
통신 타입
Modbus Type
TCP/IP Type
Industrial Ethernet
Serial
Digital I/O
FOCAS Type
ROS manual(V1.14)
Doosan ROS package 설치
동작 모드
Virtual mode
Real mode
dsr_description
dsr_description <robot_model>.launch
dsr_moveit_config 관련
dsr_moveit_config
dsr_control + moveit
MoveIt Commander
dsr_launcher
dsr_example
Single Robot
Multi Robot
Gripper
Mobile robot
dsr_msgs
Topic
RobotState.msg
RobotStop.msg
RobotError.msg
LogAlarm.msg
ModbusState.msg
JogMultiAxis.msg
Service/motion
Trans.srv
Fkin.srv
Ikin.srv
SetRefCoord.srv
MoveJoint.srv
MoveLine.srv
MoveJointx.srv
MoveCircle.srv
MoveSplineJoint.srv
MoveSplineTask.srv
MoveBlending.srv
MoveSpiral.srv
MovePeriodic.srv
MoveWait.srv
MovePause.srv
MoveResume.srv
MoveStop.srv
Jog.srv
JogMulti.srv
CheckMotion.srv
ChangeOperationSpeed.srv
EnableAlterMotion.srv
AlterMotion.srv
DisableAlterMotion.srv
SetSingularityHandling.srv
Service/system
GetRobotMode.srv
SetRobotMode.srv
GetRobotSystem
SetRobotSystem.srv
GetRobotSpeedMode.srv
SetRobotSpeedMode.srv
SetSafeStopResetType.srv
GetCurrentPose.srv
GetLastAlarm.srv
Service/aux_control
GetControlMode.srv
GetControlSpace.srv
GetCurrentPosj.srv
GetCurrentVelj.srv
GetDesiredPosj.srv
GetDesiredVelj.srv
GetCurrentPosx.srv
GetCurruntToolFlangePosx.srv
GetCurrentVelx.srv
GetDesiredPosx.srv
GetDesiredVelx.srv
GetCurrentSolutionSpace.srv
GetCurrentRotm.srv
GetJointTorque.srv
GetExternalTorque.srv
GetToolForce.srv
GetSolutionSpace.srv
GetOrientationError.srv
Service/tcp
ConfigCreateTcp.srv
ConfigDeleteTcp.srv
GetCurrentTcp.srv
SetCurrentTcp.srv
Service/tool
ConfigCreateTool.srv
ConfigDeleteTool.srv
GetCurrentTool.srv
SetCurrentTool.srv
Service/force
ParallelAxis1.srv
ParallelAxis2.srv
AlignAxis1.srv
AlignAxis2.srv
IsDoneBoltTightening.srv
ReleaseComplianceCtrl.srv
TaskComplianceCtrl.srv
SetStiffnessx.srv
CalcCoord.srv
SetUserCartCoord1.srv
SetUserCartCoord2.srv
SetUserCartCoord3.srv
OverwriteUserCartCoord.srv
GetUserCartCoord.srv
SetDesiredForce.srv
ReleaseForce.srv
CheckPositionCondition.srv
CheckForceCondition.srv
CheckOrientationCondition1.srv
CheckOrientationCondition2.srv
CoordTransform.srv
GetWorkpieceWeight.srv
ResetWorkpieceWeight.srv
Service/IO
SetCtlBoxDigitalOutput.srv
GetCtlBoxDigitalOutput.srv
GetCtlBoxDigitalInput.srv
SetToolDigitalOutput.srv
GetToolDigitalOutput.srv
GetToolDigitalIntput.srv
SetCtlBoxAnalogOutputType.srv
SetCtlBoxAnalogInputType.srv
SetCtlBoxAnalogOutput.srv
GetCtlBoxAnalogInput.srv
Service/modbus
ConfigCreateModbus.srv
ConfigDeleteModbus.srv
SetModbusOutput.srv
GetModbuInput.srv
Service/DRL
DrlStart.srv
DrlStop.srv
DrlPause.srv
DrlResume.srv
GetDrlState.srv
Service/gripper
SerialSendData.srv
RobotiqMove.srv
DRL 명령어
로봇 모드
set_robot_mode(robot_mode)
get_robot_mode()
get_last_alarm()
set_safe_stop_reset_type(reset_type)
set_robot_speed_mode(speed_mode)
get_robot_speed_mode()
set_robot_system(robot_system)
get_robot_system()
get_robot_state()
Policy&Notice
법적고지
이용약관
개인정보처리방침 등
쿠키 정책
OSS Notice
Programming manual (V2.12.4)
DRL Basic Syntax
기본 문법
들여쓰기
주석
변수
변수명
수치
문자
list
tuple
dictionary
함수
함수 문법
스코핑 룰
인수 모드
제어문
pass
if
while
for
break
continue
반복문의 else
모션 관련 명령어
위치 생성
posj(J1=0, J2=0, J3=0, J4=0, J5=0, J6=0)
posx(X=0, Y=0, Z=0, A=0, B=0, C=0)
trans(pos, delta, ref, ref_out)
posb(seg_type, posx1, posx2=None, radius=0)
fkin(pos, ref)
ikin(pos, sol_space, ref)
ikin(pos, sol_space, ref, ref_pos_opt, iter_threshold)
addto(pos, add_val=None)
ikin_norm(pos, sol_space, ref, ref_pos_opt)
get_projected_posx()
모션 설정
set_velj(vel)
set_accj(acc)
set_velx(vel1, vel2, clamp)
set_accx(acc1, acc2)
set_ref_coord(coord)
set_auto_acceleration_mode(mode, ratio)
동기 모션
movej()
movel()
movejx()
movec()
movesj()
movesx()
moveb()
move_spiral()
move_periodic()
move_home()
비동기 모션
amovej()
amovel()
amovejx()
amovec()
amovesj()
amovesx()
amoveb()
amove_spiral()
amove_periodic()
추가 기능
mwait(time=0)
begin_blend(radius=0)
end_blend()
check_motion()
stop(st_mode)
change_operation_speed(speed)
wait_manual_guide()
wait_nudge()
enable_alter_motion()
alter_motion()
disable_alter_motion()
check_robot_mastering()
motion_pause()
motion_resume()
서보 모션
servoj()
servol()
speedj()
speedl()
제어 보조 명령어
로봇 현재값
get_current_posj()
get_current_velj()
get_current_posx(ref)
get_current_tool_flange_posx(ref)
get_current_velx(ref)
get_current_rotm(ref)
get_joint_torque()
get_external_torque()
get_tool_force(ref)
로봇 목표값
get_desired_posj()
get_desired_velj()
get_desired_posx(ref)
get_desired_velx(ref)
제어 상태값
get_control_mode()
get_control_space()
get_current_solution_space()
get_solution_space(pos)
get_orientation_error(xd, xc, axis)
로봇 안전 설정 파라미터
get_cockpit()
get_collision_sensitivity()
get_configurable_io()
get_current_tcp()
get_current_tool_shape()
get_current_tool()
get_general_range()
get_idle_off()
get_install_pose()
get_io_speed_ratio()
get_joint_range()
get_modbus_data_list()
get_nudge()
get_safety_data_version()
get_safety_function()
get_safety_io()
get_safety_zone_cnt()
get_safety_zone_list()
get_tcp_list()
get_tcp_symbol()
get_tool_list()
get_tool_shape_list()
get_tool_shape_symbol()
get_tool_symbol()
get_user_coord_cnt()
get_user_coord()
get_world_coord()
기타 설정 명령어
툴/작업물 설정
get_workpiece_weight()
reset_workpiece_weight()
set_workpiece_weight(weight=0.0, cog=[0.0,0.0,0.0], cog_ref=DR_CUR_TCP, add_up=DR_REPLACE, start_time=None, transition_time=None)
set_tcp()
set_tool_shape(name)
set_tool(name, start_time, transition_time)
set_tool_digital_output_level (lv=None)
set_tool_digital_output_type(port, output_type=None)
get_tool_analog_input (ch)
set_mode_tool_analog_input (ch, mod)
제어 모드 설정
set_singularity_handling(mode)
set_singular_handling_force(mode)
set_palletizing_mode(mode)
set_motion_end(mode)
힘/순응 제어 및 기타 사용자 편의 기능
힘/순응 제어
release_compliance_ctrl()
task_compliance_ctrl(stx, time)
set_stiffnessx(stx, time)
set_desired_force()
release_force(time=0)
get_force_control_state()
set_damping_factor(damping_factor, time)
set_force_factor(force_factor, time)
set_external_force_reset()
사용자 편의 기능
parallel_axis(x1, x2, x3, axis, ref)
parallel_axis(vect, axis, ref)
align_axis(x1, x2, x3, pos, axis, ref)
align_axis(vect, pos, axis, ref)
is_done_bolt_tightening(m=0, timeout=0, axis=None)
calc_coord(x1, x2, x3, x4, ref, mod)
set_user_cart_coord(pos, ref)
set_user_cart_coord(x1, x2, x3, pos, ref)
set_user_cart_coord(u1, v1, pos, ref)
overwrite_user_cart_coord(id, pos, ref, apply_mod)
get_user_cart_coord(id)
check_position_condition(axis, min, max, ref, mod, pos)
check_force_condition(axis, min, max, ref)
check_orientation_condition(axis, min, max, ref, mod)
check_orientation_condition(axis, min, max, ref, mod, pos)
coord_transform(pose_in, ref_in, ref_out)
get_pattern_point(pos1, pos2, pos3, pos4, index, pattern, row, column, stack, stack_offset, point_offset)
get_cockpit_input()
시스템 명령어
IO 관련
set_digital_output(index, val =None)
set_digital_output(index, val=None, time=None, val2=None)
set_digital_outputs(bit_list)
set_digital_outputs(bit_start, bit_end, val)
get_digital_input(index)
get_digital_inputs()
get_digital_inputs(bit_start, bit_end)
wait_digital_input()
set_tool_digital_output(index, val=None)
set_tool_digital_output(index, val=None, time=None, val2=None)
set_tool_digital_outputs(bit_list)
set_tool_digital_outputs()
wait_tool_digital_input()
get_tool_digital_input(index)
get_tool_digital_inputs(bit_list)
get_tool_digital_inputs(bit_start, bit_end)
set_mode_analog_output(ch, mod )
set_mode_analog_input(ch, mod )
set_analog_output(ch, val)
get_analog_input(ch)
set_output(port_type, index, val=None, time=None, val2=None)
get_input(port_type, index)
wait_input(port_type, index, val, timeout=None, condition=None)
wait_analog_input(ch, condition, val, timeout=None)
wait_tool_analog_input(ch, condition, val, timeout=None)
get_digital_output(index)
get_digital_outputs(bit_list)
get_digital_outputs(bit_start, bit_end)
TP 연동
tp_popup(message, pm_type=DR_PM_MESSAGE, button_type=0)
tp_log(message)
tp_get_user_input(message, input_type)
Thread
thread_run(th_func_name, loop=False)
thread_stop(th_id)
thread_pause(th_id)
thread_resume(th_id)
thread_state(th_id)
통합 예제 - Thread
기타
wait()
exit()
sub_program_run(name)
drl_report_line(option)
set_fm(key, value)
get_robot_model()
get_robot_serial_num()
check_robot_jts()
check_robot_fts()
start_timer()
end_timer()
수학 함수
삼각함수
sin(x)
cos(x)
tan(x)
asin(x)
acos(x)
atan(x)
atan2(y, x)
선형대수
norm(x)
rotx(angle)
roty(angle)
rotz(angle)
rotm2eul(rotm)
rotm2rotvec(rotm)
eul2rotm([alpha,beta,gamma])
eul2rotvec([alpha,beta,gamma])
eul2rpy([alpha,beta,gamma])
rpy2eul([yaw,pitch,roll])
rotvec2eul([rx,ry,rz])
rotvec2rotm([rx,ry,rz])
htrans(posx1,posx2)
get_intermediate_pose(posx1,posx2,alpha)
get_distance(posx1, posx2)
get_normal(x1, x2, x3)
add_pose(posx1,posx2)
subtract_pose(posx1,posx2)
inverse_pose(posx1)
dot_pose(posx1, posx2)
cross_pose(posx1, posx2)
unit_pose(posx1)
기본 함수
ceil(x)
floor(x)
pow(x, y)
sqrt(x)
log(x, b)
d2r(x)
r2d(x)
random()
외부 통신 명령어
Serial
serial_open(port=None, baudrate=115200, bytesize=DR_EIGHTBITS, parity=DR_PARITY_NONE, stopbits=DR_STOPBITS_ONE)
serial_close(ser)
serial_state(ser)
serial_set_inter_byte_timeout(ser, timeout=None)
serial_write(ser, tx_data)
serial_read()
serial_get_count()
serial_get_info(id)
통합 예제 - Serial
플랜지 I/O
flange_serial_open()
flange_serial_read()
flange_serial_write()
flange_serial_close()
통합 예제 - Serial(플랜지 I/O)
Tcp/Client
client_socket_open(ip, port)
client_socket_close(sock)
client_socket_state(sock)
client_socket_write(sock, tx_data)
client_socket_read(sock, length=-1, timeout=-1)
통합 예제 (Tcp/Client)
Tcp/Server
server_socket_open(port)
server_socket_close(sock)
server_socket_state(sock)
server_socket_write(sock, tx_data)
server_socket_read(sock, length=-1, timeout=-1)
통합 예제 - Tcp/Server
Modbus
add_modbus_signal(ip, port, name, reg_type, index, value=0, slaveid=255)
add_modbus_rtu_signal(slaveid=1, port=None, baudrate=115200, bytesize=DR_EIGHTBITS, parity=DR_PARITY_NONE, stopbits=DR_STOPBITS_ONE, name, reg_type, index, value=0)
add_modbus_signal_multi()
add_modbus_rtu_signal_multi(slaveid=1, port=None, baudrate=115200, bytesize=DR_EIGHTBITS, parity=DR_PARITY_NONE, stopbits=DR_STOPBITS_ONE, name=None, reg_type=DR_HOLDING_REGISTER, start_address=0, cnt=1)
del_modbus_signal(name)
del_modbus_signal_multi(name)
set_modbus_output(iobus, value, time=None, val2=None)
set_modbus_outputs()
set_modbus_output_multi()
get_modbus_input(iobus)
get_modbus_inputs(iobus_list)
get_modbus_inputs_list(iobus_list)
get_modbus_input_multi (iobus)
wait_modbus_input()
set_modbus_slave(address, val)
get_modbus_slave(address)
modbus_crc16(data)
modbus_send_make(send_data)
modbus_recv_check(recv_data)
modbus_unsigned_to_signed(unsigned_data)
Industrial Ethernet (EtherNet/IP,PROFINET)
set_output_register_bit(address, val)
set_output_register_int(address, val)
set_output_register_float(address, val)
get_output_register_bit(address)
get_output_register_int(address)
get_output_register_float(address)
get_input_register_bit(address)
get_input_register_int(address)
get_input_register_float(address)
FOCAS
focas_connect()
focas_disconnect(handle)
focas_pmc_read_bit(handle, addr_type, start_num, bit_offset)
focas_pmc_read_char(handle, addr_type, start_num, read_count)
focas_pmc_read_word(handle, addr_type, start_num, read_count)
focas_pmc_read_long(handle, addr_type, start_num, read_count)
focas_pmc_read_float(handle, addr_type, start_num, read_count)
focas_pmc_read_double(handle, addr_type, start_num, read_count)
focas_get_error_str(handle, errorCode)
focas_pmc_write_bit()
focas_pmc_write_word()
focas_pmc_write_float()
focas_pmc_write_long()
focas_pmc_write_double()
focas_pmc_write_char()
외부 비전 명령어
개요
2D Vision - COGNEX / SICK / VISOR
vs_set_info(type)
vs_connect(ip_addr, port_num=9999)
vs_disconnect()
vs_get_job()
vs_set_job(job_name)
cognex_set_integer (job_name, integer_number)
visor_job_change(index)
vs_trigger()
vs_set_init_pos(vision_posx_init, robot_posx_init, vs_pos=1)
vs_get_offset_pos()
통합예제 - DR_VS_COGNEX, DR_VS_SICK
vs_request(cmd)
vs_result()
통합예제 - DR_VS_CUSTOM
Pickit 3D
pickit_connect()
pickit_disconnect()
pickit_change_configuration()
pickit_request_calibration()
pickit_detection(offset_z)
pickit_next_object(offset_z)
pickit_save_snapshot()
통합 예제 - Pickit 3D
두산비전(SVM) 명령어
카메라 연결
svm_connect(ip=”192.168.137.5”, port=20)
svm_disconnect()
이미지 품질 체크
svm_set_led_brightness(value)
svm_get_led_brightness()
svm_set_camera_exp_val(value)
svm_set_camera_gain_val(value)
svm_set_camera_load(job_id)
비전 작업 관리
svm_set_job(job_id)
카메라 보정
svm_get_robot_pose(job_id)
사물 인식 및 감지
svm_get_vision_info(job_id)
svm_get_variable(tool_id, var_type)
svm_detect_landmark(job_id)
svm_get_marker_offset_pose(cpos, offset, euler_mode)
svm_get_detect_barcode()
svm_get_barcode_db_data(index)
svm_compare_barcode_db_data(dbdata)
로봇 태스크
svm_set_init_pos_data(Id_list, Pos_list)
svm_get_offset_pos(posx_robot_init, job_id, tool_id)
기타 SVM 명령어
svm_set_tp_popup (svm_flag)
통합예제 - SVM
Application 명령어
External Encoder 설정 명령어
set_extenc_polarity(channel, polarity_A, polarity_B, polarity_Z, polarity_S)
set_extenc_mode(channel, mode_AB, pulse_AZ, mode_Z, mode_S, inverse_cnt)
get_extenc_count(channel)
clear_extenc_count(channel)
Conveyor Tracking
set_conveyor_ex(name=””, conv_type=0, encoder_channel=1, triggering_mute_time=0.0, count_per_dist=5000, conv_coord=posx(0,0,0,0,0,0), ref=DR_BASE, conv_speed=100.0, speed_filter_size=500, min_dist=0.0, max_dist=1000.0 ...)
get_conveyor_obj(conv_id, timeout=None, container_type=DR_FIFO, obj_offset_coord=None)
tracking_conveyor(conv_id, time=0.3)
untracking_conveyor(conv_id, time=0.3)
set_conveyor()
Welding
app_weld_enable_digital()
app_weld_disable_digital()
app_weld_set_interface_eip_r2m_process()
app_weld_set_interface_eip_r2m_mode()
app_weld_set_interface_eip_r2m_test()
app_weld_set_interface_eip_r2m_condition()
app_weld_set_interface_eip_r2m_option()
app_weld_set_interface_eip_m2r_process()
app_weld_set_interface_eip_m2r_monitoring()
app_weld_set_interface_eip_m2r_other()
app_weld_set_weld_cond_digital(flag_dry_run=0, vel_target=0, vel_min=0, vel_max=0, welding_mode=0, s_2t=0, pulse_mode=0, wm_opt1=0, simulation=0, ts_opt1=0, ts_opt2=0,...)
app_weld_adj_welding_cond_digital(flag_reset=None, f_target=None, vel_target=None, wv_offset=None, wv_width_ratio=None, dynamic_cor=None, voltage_cor=None, job_number=None, synergic_id=None)
app_weld_get_welding_cond_digital()
app_weld_enable_analog(ch_v_out=[1,0],spec_v_out=[0,0,0,0], ch_f_out =[2,0], spec_f_out =[0,0,0,0], ch_v_in =[1,0], spec_v_in =[0,0,0,0], ch_c_in =[2,0], spec_c_in=[0,0,0,0], ch_arc_on=1, ch_gas_on=2, ch_inching_fwd=3, ch_inching_bwd=4...)
app_weld_disable_analog()
app_weld_set_weld_cond_analog(flag_dry_run=0, v_target=0, f_target=0, vel_target=0, vel_min=0, vel_max=0, weld_proc_param=[0.2,0.2,0.5,0.5,0.5,0.2,0.2,0.5,0.5])
app_weld_adj_welding_cond_analog(flag_reset=0, v_target=None, f_target=None, vel_target=None, wv_offset=None, wv_width_ratio=None)
app_weld_get_welding_cond_analog()
app_weld_weave_cond_trapezoidal()
app_weld_weave_cond_zigzag()
app_weld_weave_cond_circular()
app_weld_weave_cond_sinusoidal()
app_weld_weave_cond_cwave()
app_weld_signal_contact_status()
app_weld_get_extreme_point(time=50)
app_weld_adj_motion_offset(offset=[0.0, 0.0])
arc_sensing_enable(daq_channel, probe_ratio, max_correction)
arc_sensing_set(mode,type,target_current,gain,bias)
arc_sensing_disable()
get_daq_status()
A-Series 전용 명령어
컨트롤러
get_function_input(index)
DART Studio Manual(V2.12)
PART 1. 사용자 매뉴얼
설치하기
소프트웨어 개요
레이아웃 살펴보기
창 표시/숨기기
창 레이아웃 및 테마 변경
소프트웨어 테마 변경
소프트웨어 언어 설정
제어기 연결
가상 제어기 사용하기
IO 시뮬레이터
시스템 모니터링
모니터링 바
모니터링 창
그래프 창
지원되는 데이터 유형
그래프 보기
그래프 레이아웃 변경
모니터링 제어
모션 모니터링 창
시각화된 객체
3D 뷰어 사용법
시스템 제어
제어 권한
로봇 환경 설정
로봇 환경 설정 화면 열기
로봇 환경 설정 UI
현재 시스템 구성 가져오기
안전 구성 설정을 위한 일반적인 장치
안전 파라미터
안전 영역 개요 (제어기 버전 GF020400 까지 유효)
안전 영역 설정 (제어기 버전 GF020400 까지 유효)
안전 영역 개요 (제어기 버전 GF020500부터 유효)
안전 영역 설정 (제어기 버전 GF020500부터 유효)
툴
모드버스 IO
좌표계
수동 모션
조인트 조그
조인트 모션
태스크 조그
태스크 모션
정렬 모션
호밍
P 모델 전용 기능
팩킹
팩킹 및 언팩킹하기
IO 제어
고장 복구
복구 동작
백드라이브 모드
테스크 관리자
프로젝트 탐색기
DRL 프로그램 실행
DRL 편집기 사용하기
DRL 편집기 살펴보기
구문 강조
새 프로그램 생성
프로그램 저장 및 열기
주석
북 마크
텍스트로 현재 위치 가져오기
함수 개요
코드 자동 완성
정의로 이동
모든 참조 찾기
스크립트 업로드
DRL 가이드
DRL 가이드 열기
DRL 명령어 검색
단축키 목록
프로그램 실행
라인 별로 프로그램 실행하기
중단 점 설정하기
실행 속도 변경
모니터링 변수
디버그 변수
시스템 변수
E 모델 전용 기능
틀어짐 보정
PART 2. 경로 생성(Path generation)
CAD 기반 경로 생성
작업창 열기
3차원 화면 조작
화면 제어
개체 표시
화면 시점 설정
투영 방법 설정
개체 조작
개체 선택
주변 개체 자동 선택
개체 삭제
개체 변환
개체 속성 표시
형상 파일 읽기
경로 생성하기
윤곽선 경로 생성
오프셋 스윕 경로 생성
지그재그 스윕 경로 생성하기
경로 편집하기
경유점 방향 조정
경로 세그먼트 분할
경로 세그먼트 결합
경로 방향 변경
경로 순서 변경
형상 생성하기
점 생성
직선/곡선 생성
직선/곡선 편집
평면/곡면 생성
평면/곡면 편집
그룹 생성
형상/경로를 로봇 좌표계로 변환하기
스크립트 생성하기
경로 생성 실습
기타 사용 팁
기능 실행
작업창 여러 개 띄우기
실행 취소와 다시 실행
상태 표시바
PART 3. 팔레타이징(Palletizing)
팔레트 경로 생성하기
작업 창 열기
프로젝트 생성
패턴 생성
패턴 생성 메인창
플레이트 설정
프로덕트 설정
캘리브레이션 설정
레이아웃 설정
레이아웃 메인 창
프로덕트 자동 생성
접근 속성 설정
레이어 설정
레이어 메인창
3차원 화면 조작 및 설정
팔레트 경로 생성
경로 생성
생성 코드 분석
PART 4. 용접(Welding)
실시간 용접 조건 변경 입력 및 모니터링 정보 표시 기능
Welding Technical Note(V2.12.1)
용접기능을 활용한 협동로봇 아크용접
아크용접 개요
로봇용접
두산 로봇을 활용한 용접작업 흐름
EtherNet/IP 인터페이스 방식 용접기 연결 예시
사전 준비 사항
표준 PLC의 네트워크 구성도
XG5000을 이용한 Gateway 프로젝트 불러오기
디지털 용접기의 송/수신 크기 수정하기
PLC, 로봇, 용접기 EtherNet/IP 환경구축하기
Program Check
프로젝트 다운로드 및 Run
Analog 인터페이스 방식 용접기 연결 예시
워크셀 매니저 사용하기
주변장치 설정하기
워크셀 매니저에서 설정하기(WCI)
디지털 용접기 인터페이스 설정 (Digital Welding Machine)
로봇-용접기 간 모션-용접 연동 신호
로봇에서 용접기로의 신호 (Robot to Machine)
용접기에서 로봇으로의 신호 (Machine to Robot)
시그널 테스트(Signal Test)
유용한 팁 및 이상상황 조치
통신 연결 실패 시 통신방식 용접기(EtherNet/IP) 인터페이스 설정 및 정상 동작 확인 방법
통신방식 용접기 정/역 인칭 모드 변경 방법
용접 조건 설정
용접 조건 설정하기
용접 조건 리스트 관리 설정
용접 토치 설정
TCP 추정 기능
위빙 조건 설정
위빙좌표계
위빙조건 설정 (Trapezoidal(사다리꼴))
위빙조건 설정 (Circular(원형))
위빙조건 설정 (Zigzag(지그재그))
위빙조건 설정 (Sinusoidal(정현파형))
위빙조건 설정 (C-Wave(C 파형))
오프셋 및 기울임각 설정 (공통)
프로그래밍하기(TB/TW)
태크 용접(가용접, Tack Welding) 작업하기
용접 태스크 설정하기 (Start Welding – End Welding)
용접 명령어 속성 설정
용접 경로 교시 및 구간별 작업 조건 지정
용접자세를 고려한 용접 경로 교시
시뮬레이션(simulation) 모드 설정
유용한 팁 및 이상 상황 조치
실행하며 모니터링/조정하기(Play)
모니터링 조정 항목
실시간 조정하기
조정량 반영
워크셀 매니저에서 설정하기(WCI)(Analog)
용접기 연결 설정
용접기 연결 설정 (Analog Welding Machine)
작업자 개입 기능 설정(Analog)
용접 조건 설정(Analog)
용접 조건 설정 화면
기본 용접 조건 설정
용접공정 설정 항목
용접공정 기본 순서
용접 조건 리스트 관리 설정(Analog)
용접 토치 설정(Analog)
위빙 조건 설정(Analog)
프로그래밍 하기(TB/TW)(Analog)
태크 용접(Tack Welding) 작업하기
용접 태스크 설정하기 (Start Welding – End Welding)(Analog)
용접 명령어 속성 설정(Analog)
용접 경로 교시 및 구간별 작업 조건 지정(Analog)
실행하며 모니터링/조정하기(Play)(Analog)
모니터링 조정 항목(Analog)
실시간 조정하기(Analog)
조정량 반영(Analog)
아크 센싱(Arc Sensing)
하드웨어 세팅
시스템 구성
장치 연결 방법
전류 센서 세팅 방법
지원 DAQ 목록
하드웨어 유의 사항
소프트웨어 세팅
UI 세팅
워크셀 매니저에서 설정하기 (WCI)
프로그래밍 하기 (TB / TW)
실행하며 모니터링 하기(Play)
프로그래밍 하기 (DRL)
소프트웨어 유의 사항
Trouble Shooting
Programming 명령어
용접기능 DRL 명령어 List
API manual (V1.33)
소개(Introduction)
설치 가이드
헤더파일 사용하기
라이브러리 링크하기
권장 운용 사양
라이브러리 구성
프로그래밍 유의사항
로봇 연결/해제
로봇 초기화
제어권 관리
로봇 운용 모드
로봇 운용 상태
로봇 상태 천이
프로그램 실행 및 종료
로봇 안전 설정 기능 제한
정의(Definition)
상수 및 열거형 정의
enum.ROBOT_STATE
enum.ROBOT_CONTROL
enum.MONITORING_SPEED
enum.SPEED_MODE
enum.ROBOT_SYSTEM
enum.ROBOT_MODE
enum.ROBOT_SPACE
enum.SAFE_STOP_RESET_TYPE
enum.MANAGE_ACCESS_CONTROL
enum.MONITORING_ACCESS_CONTROL
enum.COORDINATE_SYSTEM
enum.JOG_AXIS
enum.JOINT_AXIS
enum.TASK_AXIS
enum.FORCE_AXIS
enum.MOVE_REFERENCE
enum.MOVE_MODE
enum.FORCE_MODE
enum.BLENDING_SPEED_TYPE
enum.STOP_TYPE
enum.MOVEB_BLENDING_TYPE
enum.SPLINE_VELOCITY_OPTION
enum.GPIO_CTRLBOX_DIGITAL_INDEX
enum.GPIO_CTRLBOX_ANALOG_INDEX
enum.GPIO_ANALOG_TYPE
enum.GPIO_TOOL_DIGITAL_INDEX
enum.MODBUS_REGISTER_TYPE
enum.DRL_PROGRAM_STATE
enum.PROGRAM_STOP_CAUSE
enum.PATH_MODE
enum.CONTROL_MODE
enum.DATA_TYPE
enum.VARIABLE_TYPE
enum.SUB_PROGRAM
enum.SINGULARITY_AVOIDANCE
enum.MESSAGE_LEVEL
enum.POPUP_RESPONSE
enum.MOVE_HOME
enum.BYTE_SIZE
enum.STOP_BITS
enum.PARITY_CHECK
enum.RELEASE_MODE
enum.SAFETY_MODE
enum.SAFETY_STATE
enum.SAFETY_MODE_EVENT
enum.COG_REFERENCE
enum.ADD_UP
enum.OUTPUT_TYPE
로그 및 알람 정의
LOG_LEVEL
LOG_GROUP
LOG_CODE
콜백 함수 정의
TOnMonitoringStateCB
TOnMonitoringDataCB
TOnMonitoringDataExCB
TOnMonitoringCtrlIOCB
TOnMonitoringCtrlIOExCB
TOnMonitoringModbusCB
TOnLogAlarmCB
TOnMonitoringAccessControlCB
TOnHommingCompletedCB
TOnTpInitializingCompletedCB
TOnMonitoringSpeedModeCB
TOnMasteringNeedCB
TOnProgramStoppedCB
TOnDisconnectedCB
TOnTpPopupCB
TOnTpLogCB
TOnTpGetUserInputCB
TOnTpProgressCB
TOnMonitoringRobotSystemCB
TOnMonitoringSafetyStateCB
구조체 정의
struct.SYSTEM_VERSION
struct.MONITORING_DATA
struct.MONITORING_DATA_EX
struct.MONITORING_CTRLIO
struct.MONITORING_CTRLIO_EX
struct.MONITORING_MODBUS
struct.LOG_ALARM
struct.MOVE_POSB
struct.ROBOT_POSE
struct.USER_COORDINATE
struct.MESSAGE_POPUP
struct.MESSAGE_INPUT
struct.MESSAGE_PROGRESS
struct.FLANGE_SERIAL_DATA
struct.FLANGE_SER_RXD_INFO
struct.READ_FLANGE_SERIAL
struct. INVERSE_KINEMATIC_RESPONSE
struct.UPDATE_SW_MODULE_RESPONSE
struct.CONFIG_JOINT_RANGE
struct.GENERAL_RANGE
struct.CONFIG_GENERAL_RANGE
struct.POINT_2D
struct.POINT_3D
struct.LINE
union.CONFIG_SAFETY_FUNCTION
struct._tStopCode
struct.CONFIG_INSTALL_POSE
struct.CONFIG_SAFETY_IO
struct.CONFIG_SAFETY_IO_EX
union.VIRTUAL_FENCE_OBJECT
struct.CONFIG_VIRTUAL_FENCE
struct.CONFIG_SAFE_ZONE
struct.ENABLE_SAFE_ZONE
struct.SAFETY_OBJECT_SPHERE
struct.SAFETY_OBJECT_CAPSULE
struct.SAFETY_OBJECT_CUBE
struct.SAFETY_OBJECT_OBB
struct.SAFETY_OBJECT_POLYPRISM
union.SAFETY_OBJECT_DATA
struct.SAFETY_OBJECT
struct.CONFIG_PROTECTED_ZONE
struct.CONFIG_COLLISION_MUTE_ZONE_PROPERTY
struct.CONFIG_COLLISION_MUTE_ZONE
struct.SAFETY_TOOL_ORIENTATION_LIMIT
struct.CONFIG_TOOL_ORIENTATION_LIMIT_ZONE
struct.CONFIG_NUDGE
struct.CONFIG_COCKPIT_EX
struct.CONFIG_IDLE_OFF
struct.WRITE_MODBUS_DATA
struct.WRITE_MODBUS_RTU_DATA
struct.MODBUS_DATA
struct.MODBUS_DATA_LIST
struct.CONFIG_WORLD_COORDINATE
struct.CONFIG_CONFIGURABLE_IO
struct.CONFIG_CONFIGURABLE_IO_EX
struct.CONFIG_TOOL_SHAPE
struct.CONFIG_TOOL_SYMBOL
struct.CONFIG_TCP_SYMBOL
struct.CONFIG_TOOL_LIST
struct.CONFIG_TOOL_SHAPE_SYMBOL
struct.CONFIG_TCP_LIST
struct.CONFIG_TOOL_SHAPE_LIST
struct.SAFETY_CONFIGURATION_EX
struct.SAFETY_CONFIGURATION_EX2
struct.SAFETY_CONFIGURATION_EX2_V3
struct.ROBOT_VEL
struct.ROBOT_FORCE
struct.CONFIG_SAFETY_IO_OP
struct.MONITORING_CTRLIO_EX2
struct.ROBOT_WELDING_DATA
struct.WELDING_CHANNEL
struct.CONFIG_WELDING_INTERFACE
struct.CONFIG_WELD_SETTING
struct.GET_WELDING_SETTING_RESPONSE
struct.ADJUST_WELDING_SETTING
struct.CONFIG_TRAPEZOID_WEAVING_SETTING
struct.CONFIG_ZIGZAG_WEAVING_SETTING
struct.CONFIG_CIRCULE_WEAVING_SETTING
struct.CONFIG_SINE_WEAVING_SETTING
struct.CONFIG_WELDING_DETAIL_INFO
struct.CONFIG_ANALOG_WELDING_INTERFACE
struct.CONFIG_ANALOG_WELDING_SETTING
struct.ANALOG_WELDING_ADJUST_SETTING
struct.CONFIG_DIGITAL_WELDING_IF_MAPPING_DATA
struct.CONFIG_DIGITAL_WELDING_INTERFACE_PROCESS
struct.CONFIG_DIGITAL_WELDING_INTERFACE_MODE
struct.CONFIG_DIGITAL_WELDING_INTERFACE_TEST
struct.CONFIG_DIGITAL_WELDING_INTERFACE_CONDITION
struct.CONFIG_DIGITAL_WELDING_INTERFACE_OPTION
struct.CONFIG_DIGITAL_WELDING_INTERFACE_PROCESS2
struct.CONFIG_DIGITAL_WELDING_INTERFACE_MONITORING
struct.CONFIG_DIGITAL_WELDING_INTERFACE_OTHER
struct.DIGITAL_WELDING_RESET
struct.CONFIG_DIGITAL_WELDING_MODE
struct.CONFIG_DIGITAL_WELDING_CONDITION
struct.CONFIG_DIGITAL_WELDING_ADJUST
struct.MEASURE_TCP_WELDING
struct.TACK_WELDING_SETTING
struct.DIGITAL_FORCE_WRITE_DATA
struct.ROBOT_DIGITAL_WELDING_DATA
struct.DIGITAL_WELDING_COMM_STATE
함수(Function)
로봇 연결 함수
CDRFLEx.open_connection
CDRFLEx.close_connection
로봇 속성 함수
CDRFLEx.get_system_version
CDRFLEx.get_library_version
CDRFLEx.get_robot_mode
CDRFLEx.set_robot_mode
CDRFLEx.get_robot_state
CDRFLEx.set_robot_control
CDRFLEx.set_robot_system
CDRFLEx.get_robot_speed_mode
CDRFLEx.set_robot_speed_mode
CDRFLEx.get_program_state
CDRFLEx.get_robot_system
CDRFLEx.set_safe_stop_reset_type
CDRFLEx.get_current_pose
CDRFLEx.get_current_posj
CDRFLEx.get_desired_posj
CDRFLEx.get_current_velj
CDRFLEx.get_current_posx
CDRFLEx.get_desired_posx
CDRFLEx.get_current_tool_flange_posx
CDRFLEx.get_current_velx
CDRFLEx.get_desired_velx
CDRFLEx.get_joint_torque
CDRFLEx.get_control_space
CDRFLEx.get_external_torque
CDRFLEx.get_tool_force
CDRFLEx.get_current_solution_space
CDRFLEx.get_last_alarm
CDRFLEx.get_solution_space
CDRFLEx.get_orientation_error
CDRFLEx.get_control_mode
CDRFLEx.get_current_rotm
CDRFLEx.get_safety_configuration
콜백함수 등록 함수
CDRFLEx.set_on_monitoring_state
CDRFLEx.set_on_monitoring_data
CDRFLEx.set_on_monitoring_data_ex
CDRFLEx.set_on_monitoring_ctrl_io
CDRFLEx.set_on_monitoring_ctrl_io_ex
CDRFLEx.set_on_monitoring_modbus
CDRFLEx.set_on_log_alarm
CDRFLEx.set_on_tp_popup
CDRFLEx.set_on_tp_log
CDRFLEx.set_on_tp_progress
CDRFLEx.set_on_tp_get_user_input
CDRFLEx.set_on_monitoring_access_control
CDRFLEx.set_on_homming_completed
CDRFLEx.set_on_tp_initializing_completed
CDRFLEx.set_on_monitoring_speed_mode
CDRFLEx.set_on_mastering_need
CDRFLEx.set_on_program_stopped
CDRFLEx.set_on_disconnected
CDRFLEx.set_on_monitoring_robot_system
CDRFLEx.set_on_monitoring_safety_state
제어권 관리 함수
CDRFLEx.manage_access_control
기본 제어 함수
CDRFLEx.jog
CDRFLEx.move_home
모션 제어 함수
CDRFLEx.movej
CDRFLEx.movesj
CDRFLEx.movesx
CDRFLEx.move_spiral
CDRFLEx.move_periodic
CDRFLEx.amovej
CDRFLEx.amovel
CDRFLEx.amovec
CDRFLEx.amovesj
CDRFLEx.amovesx
CDRFLEx.amoveb
CDRFLEx.amove_spiral
CDRFLEx.amove_periodic
CDRFLEx.stop
CDRFLEx.move_pause
CDRFLEx.move_resume
CDRFLEx.mwait
CDRFLEx.trans
CDRFLEx.fkin
CDRFLEx.ikin
CDRFLEx.set_ref_coord
CDRFLEx.check_motion
CDRFLEx.enable_alter_motion
CDRFLEx.alter_motion
CDRFLEx.disable_alter_motion
CDRFLEx.servoj
CDRFLEx.speedj
CDRFLEx.speedl
CDRFLEx.moveb
CDRFLEx.ikin(Extension)
CDRFLEx.movejx
CDRFLEx.amove_spiral(Extension)
CDRFLEx.movel
CDRFLEx.movec
CDRFLEx.servol
로봇 설정 함수
CDRFLEx.add_tool
CDRFLEx.del_tool
CDRFLEx.set_tool
CDRFLEx.get_tool
CDRFLEx.add_tcp
CDRFLEx.del_tcp
CDRFLEx.set_tcp
CDRFLEx.get_tcp
CDRFLEx.set_tool_shape
CDRFLEx.get_workpiece_weight
CDRFLEx.reset_workpiece_weight
CDRFLEx.set_singularity_handling
CDRFLEx.setup_monitoring_version
CDRFLEx.config_program_watch_variable
CDRFLEx.set_user_home
CDRFLEx.servo_off
CDRFLEx.release_protective_stop
CDRFLEx.change_collision_sensitivity
CDRFLEx.set_auto_servo_off
CDRFLEx.set_workpiece_weight
CDRFLEx.set_safety_mode
CDRFLEx.set_state_led_off()
I/O 제어 함수
CDRFLEx.set_tool_digital_output
CDRFLEx.get_tool_digital_input
CDRFLEx.get_tool_digital_output
CDRFLEx.set_digital_output
CDRFLEx.get_digital_input
CRDFLEx.get_digital_output
CDRFLEx.set_mode_analog_input
CDRFLEx.set_mode_analog_output
CDRFLEx.set_analog_output
CDRFLEx.get_analog_input
CDRFLEx.add_modbus_signal
CDRFLEx.del_modbus_signal
CDRFLEx.set_modbus_output
CDRFLEx.get_modbus_input
CDRFLEx.flange_serial_write
CDRFLEx.get_tool_analog_input
CDRFLEx.set_tool_digital_output_level
CDRFLEx.set_tool_digital_output_type
CDRFLEx.set_mode_tool_analog_input
CDRFLEx.flange_serial_open
CDRFLEx.flange_serial_close
프로그램 제어 함수
CDRFLEx.drl_start
CDRFLEx.drl_stop
CDRFLEx.drl_pause
CDRFLEx.drl_resume
CDRFLEx.change_operation_speed
CDRFLEx.save_sub_program
CDRFLEx.tp_popup_response
CDRFLEx.tp_get_user_input_response
힘/강성 제어 및 기타 사용자 편의 함수
CDRFLEx.parallel_axis
CDRFLEx.parallel_axis(fTargetPos1, fTargetPos2, fTargetPos3, eTaskAxis, eSourceRef)
CDRFLEx.parallel_axis(eSourceVec, eTaskAxis, eTargetRef)
CDRFLEx.align_axis
CDRFLEx.align_axis(fTargetPos1, fTargetPos2, fTargetPos3, fSourceVec, eTaskAxis, eTargetRef)
CDRFLEx.align_axis(eTargetVec, eSourceVec, eTaskAxis, eTargetRef)
CDRFLEx.is_done_bolt_tightening
CDRFLEx.task_compliance_ctrl
CDRFLEx.release_compliance_ctrl
CDRFLEx.set_stiffnessx
CDRFLEx.calc_coord
CDRFLEx.set_user_cart_coord
CDRFLEx.set_user_cart_coord(iReqId, fTargetPos, eTargetRef)
CDRFLEx.set_user_cart_coord(fTargetPos, fTargetOrg, eTargetRef)
CDRFLEx.set_user_cart_coord(fTargetVec, fTargetOrg, eTargetRef)
CDRFLEx.overwrite_user_cart_coord
CDRFLEx.get_user_cart_coord
CDRFLEx.set_desired_force
CDRFLEx.release_force
CDRFLEx.check_position_condition_abs
CDRFLEx.check_position_condition_rel
CDRFLEx.check_position_condition
CDRFLEx.check_force_condition
CDRFLEx.check_orientation_condition
CDRFLEx.check_orientation_condition(eForceAxis, fTargetMin, fTargetMax, eForceReference)
CDRFLEx.check_orientation_condition(eForceAxis, fTargetMin, fTargetMax, fTargetPos, eForceReference)
CDRFLEx.coord_transform
CDRFLEx.set_palletizing_mode
CDRFLEx.query_modbus_data_list
실시간 외부 제어(Realtime Control)
실시간 외부 제어 소개
버전
통신 연결 함수
CDRFLEx.connect_rt_control
CDRFLEx.disconnect_rt_control
정보 조회 함수
CDRFLEx.get_rt_control_input_version_list
CDRFLEx.get_rt_control_output_version_list
CDRFLEx.get_rt_control_input_data_list
CDRFLEx.get_rt_control_output_data_list
설정 함수
CDRFLEx.set_rt_control_input
CDRFLEx.set_rt_control_output
운용 함수
CDRFLEx.start_rt_control
CDRFLEx.stop_rt_control
CDRFLEx. set_on_rt_monitoring_data
CDRFLEx.read_data_rt
CDRFLEx.write_data_rt
서보 모션 함수
CDRFLEx.set_velj_rt
CDRFLEx.set_accj_rt
CDRFLEx.set_velx_rt
CDRFLEx.set_accx_rt
CDRFLEx.servoj_rt
CDRFLEx.servol_rt
CDRFLEx.speedj_rt
CDRFLEx.speedl_rt
CDRFLEx.torque_rt
어플리케이션 명령어(Application Command)
용접(Welding)
set_on_monitoring_welding_data
set_on_monitoring_analog_welding_data
set_on_monitoring_digital_welding_data
app_weld_weave_cond_trapezoidal
app_weld_weave_cond_zigzag
app_weld_weave_cond_circular
app_weld_weave_cond_sinusoidal
app_weld_enable_analog
app_weld_set_weld_cond_analog
app_weld_adj_welding_cond_analog
app_weld_set_interface_eip_m2r_process
app_weld_set_interface_eip_r2m_mode
app_weld_set_interface_eip_r2m_process
app_weld_set_interface_eip_r2m_test
app_weld_set_interface_eip_r2m_condition
app_weld_set_interface_eip_r2m_option
app_weld_set_interface_eip_m2r_process2
app_weld_set_interface_eip_m2r_monitoring
app_weld_set_interface_eip_m2r_other
app_weld_reset_interface
app_weld_enable_digital
app_weld_set_weld_cond_digital
app_weld_adj_welding_cond_digital
measure_welding_tcp
set_welding_cockpit_setting
set_digital_welding_monitoring_mode
app_weld_adj_motion_offset
set_welding_cockpit_setting_time_setting
Manual PDF download
ROS 2 Docs.
API Docs.
Training Video
V3 Manual
Main
PART 1. Manual de segurança
Convenções do manual
Símbolos de segurança identificados
Precauções gerais
Utilização prevista do produto
Avaliação de riscos
Perigo potencial
O modo e o estado do robot
Modo manual
Modo automático
Outro estado
Estado específico do modo e cores do LED da flange
Garantias e responsabilidade do produto
Funcionalidades de segurança
Subfunção de paragem com classificação de segurança
Batentes com classificação de segurança
Paragem de emergência
Proteção contra paragem
Função de monitorização com classificação de segurança
Entrada e saída com classificação segura
Definição das caraterísticas de segurança
Limites do robô
Entrada/saída do sinal de segurança (E/S)
Modos de paragem de segurança
Encostar
Limite de espaço
Zona
Outras medidas de segurança
Eficácia e responsabilidade
Renúncia de responsabilidade
Declaração e certificação
Declaração Europeia de Incorporação (original)
Certificado de acordo com a norma harmonizada da Diretiva Europeia sobre Máquinas
Diretiva Europeia de Compatibilidade Eletromagnética (Diretiva EMC) Certificação harmonizada de normas
Certificação NRTL (EUA, Canadá)
Certificação de segurança funcional
Declaração de segurança autónoma (KCS)
Distância de paragem e tempo de paragem
Método e condições de medição
Parar categoria
Poses e condições de medição
Categoria de paragem A0509(S)
A0509(S) Paragem Categoria 0
A0509(S) Paragem Categoria 1
Categoria de paragem A0912(S)
A0912(S) Paragem Categoria 0
A0912(S) Paragem Categoria 1
Parâmetros de segurança gamas inferiores e inferiores e valores predefinidos
Precauções de utilização
PART 2. Ligar o robot
Step1. Configurar o robot
Desembale a embalagem
Ligar os cabos ao controlador
Fixar a base do robot
Ligar o controlador e a alimentação
Posicione o controlador
Ligue o controlador
Soltar o botão de paragem de emergência
Desposicionamento da embalagem
Servo-desligado
Step2. Instale a ferramenta e teste a E/S.
Instale a ferramenta
Desligue o sistema
Ligar os fios
Ligue o sistema
Teste do controlador e da E/S do flange
Step3. Ligar e configurar o robot
Saiba como parar/soltar com segurança
Funcionamento manual - programação da recuperação de segurança/movimentos não motorizados
Funcionamento manual - aprender a Jog
Operação manual - aprenda a ensinar-se
A desativar o Bloqueio de palavras-passe
Configuração do robô - Definir limites do robô
Itens da célula de trabalho - Adicionando posições de montagem do robô
Itens da célula de trabalho - Adicionar peso da ferramenta
Adicionar itens da célula de trabalho - Forma da ferramenta
Itens da célula de trabalho - Adicione um efetor final
Adicione um item da célula de trabalho - limite de espaço
Aprenda os itens das células de trabalho com o seu gestor de células de trabalho
Configuração do robô - Definir as coordenadas do mundo
Step4. Crie um programa de tarefas
Introdução à programação
Compreender a conformidade/controlo de força
Utilizar Sub/Chamada Sub
Compreender o movimento do robô
Siga o exemplo do comando MoveJ/MoveL
Compreender as Propriedades do Movimento do Robô
Siga o exemplo do Comando de Conformidade
Especialidade - Siga o exemplo Pick & Place
Utilize Step Run
Siga o exemplo do comando Force
Registrando e Gerenciando Variáveis
Aproveite a depuração
Função de intervenção do operador
PART 3. Manual de instalação
Introdução ao produto
Verifique os componentes
Subpeças e funções
Gráfico de configuração do sistema
Especificações do produto, Geral
Especificações do robô
Especificação por eixo
Área de trabalho do robô
O máximo está sendo ponderado na área de trabalho
A posição central da ferramenta
Especificações básicas
Placa de classificação e etiquetas
Instale
Precauções de instalação
Pontos de elevação para transporte e instalação
Ambiente de instalação
Saiba onde instalá-lo
Verificar a área de trabalho do robot
Instalação de hardware
Fixar o robô
Ligue o controlador ao controlador
Ligar o controlador ao botão de paragem de emergência
Conexão do controlador e do pendente inteligente
Ligar o Controller e o pendente de bruxa
Cabos de encaminhamento
Ligar a alimentação do controlador
Ligar o robot à ferramenta
Definir o interrutor de configuração do botão de paragem de emergência
Ligar/desligar o interrutor de alimentação do controlador
Interface
Flange E/S
Especificações da saída digital da flange
Especificações de Entrada Digital do Flange
Especificações de entrada analógica de flange
Conectividade de rede
Ligação do dispositivo externo - Sensor de visão
Conectividade de dispositivos externos – Plataforma DART
Configurar ModbusTCP Slave
Protocolos estendidos - Configurar um dispositivo PROFINET IO (dispositivo pnio)
Protocolos estendidos - Configurar o adaptador Ethernet/IP (adaptador IP)
Usando protocolos estendidos
Utilizar o registo de utilização geral (GPR)
Ligação I/O do controlador
Configurar o terminal de potência de entrada e saída digital (TBPWR)
Configurar o terminal de entrada do codificador (TBEN1, TBEN2)
Configurar o terminal de entrada do contacto de segurança (TBSFT)
Configurar E/S digital configurável (TBCI1-4, TBCO1-4)
Configurar o terminal de E/S analógico (TBAIO)
Transporte
Precauções de transporte
Especificações da caixa de embalagem
Postura de transporte do robô
Manutenção
Eliminação e ambiente
PART 4. Manual do utilizador
Ligar/desligar o sistema
Inicializando o sistema
Ecrãs de programa
Ecrã inicial
Ecrã de estado
Área de visualização do estado
Área do ecrã Task (Tarefa)
Menu principal
Compreender os robôs
O que é o ângulo A, B e C da régua?
O que é Singularity?
Limitação da função por série de robôs
O que é o Servo-ons?
Entrada/saída e comunicação
Visão geral de E/S.
Verificação de entrada digital do controlador/flange
Verificação de entrada analógica do controlador/flange
Configuração de saída digital do controlador/flange
Configuração de saída analógica do controlador/flange
Teste de E/S.
Teste Modbus
Monitorização secundária
O que é um item de célula de trabalho?
Adicionar itens da célula de trabalho
Itens de célula de trabalho inativos
Item de célula de trabalho não disponível
Utilizar o Workcell Manager
Configurar a segurança do robô
Configuração do robô
Definir o suporte (posição de montagem do robô)
Definição do peso da ferramenta
Definições da forma da ferramenta
Defina as coordenadas do mundo
Definir limites do robô
Definições gerais de entrada/saída de sinal (E/S normal)
Definições de entrada/saída do sinal de segurança (E/S)
Definir os modos de paragem de segurança
Definição de variável do sistema
A definição Nudge (Encostar)
Definição das coordenadas do utilizador
Limite de espaço e definições de zona
Restrições de espaço e a forma da área
Defina o limite de espaço
Ative a Zona colaborativa
Definir a Zona de Prevenção de Esmagamento
Definição da zona de redução da sensibilidade
Defina a Zona limite de orientação da ferramenta
Definições de zona personalizada
Definições do efeito final
Griefers e ferramentas
Definir sinais de entrada e saída efetoras finais
Teste de entrada/saída efetor final
Definição do ponto central da ferramenta (TCP)
Definir a posição central da ferramenta em relação ao outro efetor de extremidade
Configuração da máquina
Definições de periféricos
Outros
Visão
Configure a ferramenta
Utilizar o robot manualmente
Usando jogs
Cena em Jog
Execute com o Sistema de Coordenadas Mundial
Execute com critérios conjuntos
Correr com a ferramenta do robot
Correr com a base do robot
Ecrã de salto
Defina o ângulo para se mover
Deslocar-se definindo o valor de coordenadas de referência base
Movendo-se ao redor definindo o valor de coordenada mundial
Mova os valores de coordenadas de referência da ferramenta definindo-os
Ecrã de alinhamento
Alinhar por Eixo Base/Eixo Mundial
Ordenar por alvo
Ordenar por entrada de célula de trabalho
Mover para a posição inicial
Jog Plus
Usando o Modo de recuperação segura
Modo de recuperação do software
Modo de embalagem
Utilize o modo sem alimentação
Desloque-se com a guia da mão
Usando o botão de orientação manual no pendente de costura
Utilizar o botão Cockpit (5 botões)
Utilizar o botão Cockpit (6 botões)
Escape de estenose com Cockpit
Utilizar o robot automaticamente
Procedimentos de aprendizagem e execução do robô
Construtor de Tarefas 5
Construtor de Tarefas
Construtor de Tarefas 6
Construtor de Tarefas 7
Construtor de Tarefas 8
Construtor de Tarefas 1
Construtor de Tarefas 12
Guardar tarefa em dispositivo de armazenamento externo (Task Builder)
Construtor de Tarefas 2
Construtor de Tarefas 3
O Construtor de Tarefas foi salvo em um dispositivo de armazenamento externo
Construtor de Tarefas 10
Configuração do ecrã Task Edit (Edição de tarefas)
Adicionar um comando
Excluindo um comando
Colar Comando
Construtor de Tarefas 11
Comandos de especialidade desativados
Configurando e aplicando propriedades de comando (Task Builder)
Definir propriedades do comando de movimento
Definir ponto de passagem
Definição de velocidade
Defina o modo de bloqueio do programa
Defina o modo de liquidificação
Definições de vários segmentos (ponto de passagem)
Configurando atributos de comando de especialidade
Compreender os padrões básicos de operação dos comandos de especialidade
Controlo adaptável e deteção de contacto
Definir um Ponto de Trabalho para um Comando de Especialidade utilizando um botão Cockpit
Construtor de Tarefas 4
Ecrã do modo virtual
Ecrã do modo real: Guia Mensagens de informações
Ecrã do modo real: Separador End efetor Information (Informações efetoras finais)
Ecrã do modo real: Separador I/O Information (Informações de E/S)
Tarefas em execução
Gravador de tarefas 3
Gravador de tarefas 1
Criar uma nova tarefa (Task Writer)
Gravador de tarefas
Gravador de tarefas 5
Task Writer para um dispositivo de armazenamento externo (Task Writer)
Chamar uma tarefa guardada (Task Writer)
Eliminar uma tarefa guardada (Task Writer)
Task Writer armazenado em um dispositivo de armazenamento externo
Gravador de tarefas 4
Gravador de tarefas 2
Comando (Task Writer)
Configurando e aplicando propriedades de comando (Task Writer)
Gravador de tarefas 6
Ecrã de depuração
Executar e parar tarefas
Carregar uma rede guardada
Definição de preferências
Definir o idioma
Definir a data e a hora
Configurar o robot
Configurar o assistente remoto
Definir a posição inicial do robot
Configuração de E/S de flange
Configurar o Smart Pendant
Configurar o teclado
Configurar o Cockpit (A0509S, A0912S)
Alterando e liberando senhas
Definindo funções do usuário
Configurar uma rede
Código de função de suporte do bus do modo personalizado
Registar um bus de modo personalizado
Para registar um bus de modo predefinido
A atualizar o sistema
Atualizações consolidadas
Restauro do sistema
Visualizar e introduzir o código de licença do robô
Verifique os registos
Verifique as mensagens de registo
Verificando mensagens de log em tempo real durante a execução de um programa
Extrair registos
Reposição de fábrica
Para eliminar o registo
Gama de reposição de fábrica, dependendo do tipo de licença e do estado da ligação de visão
Para definir o modo ...proteção de ecrã
Servo inativo desligado
Cópia de segurança e restauro
Calibração da Fricção (Série A)
Instale e desinstale a célula de trabalho &Especialidade
Ecrã de configuração de fábrica inteligente KT
Apêndice
Apêndice. Especificações do sistema
A especificação popular
A0509(S)
A0912(S)
Especificações do controlador
CS-03 (AC Controller)
CS-04 (DC Controller)
Botão de paragem de emergência
EMSB-01
Pendente inteligente (opção)
SP-01
Pendente de costura
TP-01
FTS(A0509S, A0912S only)
Apêndice. Controlador DC
Controlador DC (cs-04)
Introdução ao produto (cs-04)
Instalação (cs-04)
Apêndice. Torque Permissível do Doosan Robot
Doosan Robot Allowable Torque
Apêndice. Guia de resolução de problemas
Tela Modo de recuperação do aplicativo
Ecrã de erro de compatibilidade de série
Utilizar a funcionalidade do ecrã Erro de compatibilidade de série
Substitua a série de robôs
Método de recuperação em caso de restrição de espaço e violação de zona
Apêndice. Pendente inteligente (Série A)
Apêndice. Descrição geral da atividade de soldadura
Apêndice. Ambiente de instalação da plataforma DART (mínimo, recomendado)
Breadcrumbs
User manual (V2.12.3)
PART 3. Manual de instalação
Introdução ao produto
Especificações do robô
On this Page
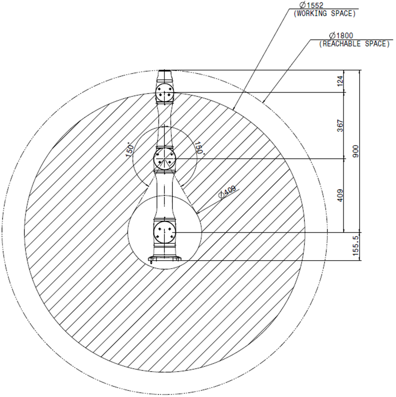
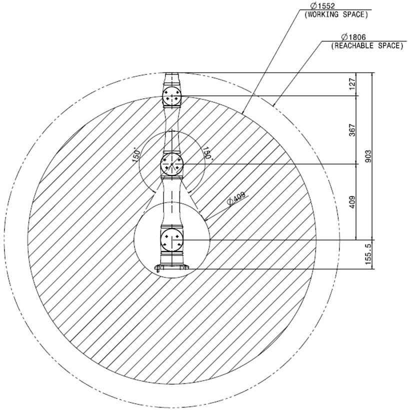
Área de trabalho do robô
A0509
A0509S
A0912
A0912S