|
Sz. |
Elem |
|
1 |
Eszköz |
|
2 |
Konzol |
|
3 |
Kábel |
|
4 |
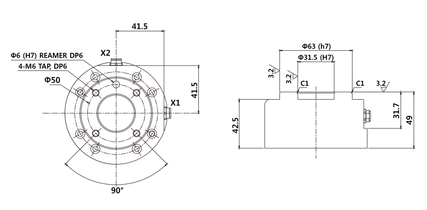
Szerszám karima |
-
A szerszámnak a szerszám karimájára való rögzítéséhez négy M6-os csavart használjon.
-
A csavarok meghúzásához 9 Nm-es meghúzó nyomaték használata ajánlott.
-
Használjon Φ6 átmérőjű helyjelölő rajzszegeket, hogy pontosan a rögzített helyre telepítse a robotot.
-
-
Csatlakoztassa a szükséges kábeleket a karima I/O csatlakozásaihoz, miután rögzítette a szerszámot.
Megjegyzés
A szerszám rögzítésének módszerei a szerszámnak megfelelően változhatnak. A szerszám telepítésére vonatkozó további információkért lásd a szerszám gyártójának kézikönyvét.
Szerszámkimeneti perem, ISO 9409-1-50-4-M6